LEMON Manuals: Even more car manuals for everyone: 1960-2025
Home >> Subaru >> 2018 >> Forester 2.0XT Premium >> Repair and Diagnosis >> Engine Performance >> System >> Engine Control System (Diagnostics - Introduction) (H4DOTC) >> Diagnostics for Engine Starting Failure >> Check Power Supply And Ground Line Of Engine Control Module (ECM)
April 5, 2026: LEMON Manuals is launched! Read the announcement.

Check Power Supply And Ground Line Of Engine Control Module (ECM)

CAUTION:

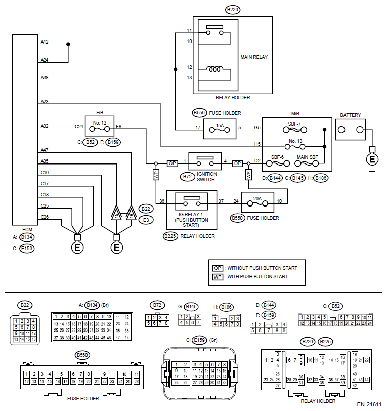
Wiring diagram: 

Engine Electrical System Ref. to WIRING SYSTEM>ENGINE ELECTRICAL SYSTEM>WIRING DIAGRAM .

G12519120Courtesy of SUBARU OF AMERICA, INC.
  1. CHECK MAIN RELAY  .
    1. Turn the ignition switch to OFF.
    2. Remove the main relay.
    3. Connect the battery to the main relay terminals No. 12 and No. 13.
    4. Measure the resistance between main relay terminals.

      Terminals 

      No. 10 - No. 11:

    Is the resistance less than 1 Ω?

    Yes: Go to  2.

    No: Replace the main relay. Ref. to FUEL INJECTION (FUEL SYSTEMS) (H4DOTC)>MAIN RELAY .

  2. CHECK GROUND CIRCUIT FOR ECM  .
    1. Disconnect the connector from ECM.
    2. Measure the resistance of harness between ECM and chassis ground.

      Connector & terminal 

      (B134) No. 35 - Chassis ground:

      (B134) No. 47 - Chassis ground:

      (E159) No. 10 - Chassis ground:

      (E159) No. 17 - Chassis ground:

      (E159) No. 18 - Chassis ground:

      (E159) No. 25 - Chassis ground:

      (E159) No. 26 - Chassis ground:

    Is the resistance less than 5 Ω?

    Yes: Go to  3.

    No: Repair the harness and connector.

    NOTE: In this case, repair the following item:
    • Open circuit in harness between ECM and engine ground terminal
    • Poor contact of coupling connector
  3. CHECK INPUT VOLTAGE OF ECM  .
    1. Turn the ignition switch to ON.
    2. Measure the voltage between ECM and chassis ground.

      Connector & terminal 

      (B134) No. 23 (+) - Chassis ground (-):

      (B134) No. 32 (+) - Chassis ground (-):

    Is the voltage 10 V or more?

    Yes: Go to  4.

    No: Repair the open or ground short in the harness of power supply circuit.

  4. CHECK INPUT VOLTAGE OF MAIN RELAY  .

    Measure the voltage between main relay connector and chassis ground.

    Connector & terminal 

    (B220) No. 11 (+) - Chassis ground (-):

    (B220) No. 12 (+) - Chassis ground (-):

    Is the voltage 10 V or more?

    Yes: Go to  5.

    No: Repair the open or ground short in the harness of power supply circuit.

  5. CHECK INPUT VOLTAGE OF ECM  .
    1. Turn the ignition switch to OFF.
    2. Install the main relay.
    3. Turn the ignition switch to ON.
    4. Measure the voltage between ECM and chassis ground.

      Connector & terminal 

      (B134) No. 38 (+) - Chassis ground (-):

    Is the voltage 10 V or more?

    Yes: Go to  6.

    No: Repair the open circuit in harness between ECM and main relay connector.

  6. CHECK INPUT VOLTAGE OF ECM  .
    1. Turn the ignition switch to OFF.
    2. Connect the connector to ECM.
    3. Turn the ignition switch to ON.
    4. Measure the voltage between ECM and chassis ground.

      Connector & terminal 

      (B134) No. 12 (+) - Chassis ground (-):

      (B134) No. 24 (+) - Chassis ground (-):

    Is the voltage 10 V or more?

    Yes: Check ignition control system. Ref. to ENGINE (DIAGNOSTICS) (H4DOTC)>Diagnostics for Engine Starting Failure>IGNITION CONTROL SYSTEM .

    No: Repair the harness and connector.

    NOTE: In this case, repair the following item:
    • Open circuit in harness between ECM and main relay connector
    • Poor contact of main relay connector
    • Poor contact of ECM connector