LEMON Manuals: Even more car manuals for everyone: 1960-2025
Home >> Subaru >> 2018 >> Forester 2.0XT Premium >> Repair and Diagnosis >> Engine Performance >> System >> Engine Control System (Diagnostics - Introduction) (H4DOTC) >> Diagnostics for Engine Starting Failure >> Starter Motor Circuit >> Model With Push Button Start
April 5, 2026: LEMON Manuals is launched! Read the announcement.

Model With Push Button Start

CAUTION: After servicing or replacing faulty parts, perform Clear Memory Ref. to ENGINE (DIAGNOSTICS) (H4DOTC)>Clear Memory Mode>OPERATION  and Inspection Mode Ref. to ENGINE (DIAGNOSTICS) (H4DOTC)>Inspection Mode>PROCEDURE .

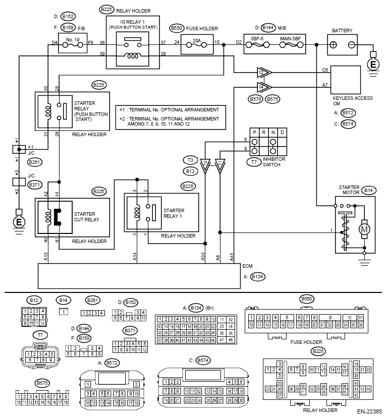
Wiring diagram: 

Engine Electrical System TURBO MODEL (WITH PUSH BUTTON START) Ref. to WIRING SYSTEM>Engine Electrical System>WIRING DIAGRAM>TURBO MODEL (WITH PUSH BUTTON START) .

G12519119Courtesy of SUBARU OF AMERICA, INC.
  1. CHECK BATTERY  .

    Check the battery. Ref. to STARTING/CHARGING SYSTEMS(H4DO)>BATTERY .

    Is the check result OK?

    Yes: Go to  2.

    No: Charge or replace the battery. Ref. to STARTING/CHARGING SYSTEMS(H4DO)>BATTERY .

  2. CHECK OPERATION OF STARTER MOTOR  .

    Does the starter motor operate?

    Yes: Go to  3.

    No: Go to  4.

  3. CHECK DTC  .

    Are any DTCs displayed? Ref. to ENGINE (DIAGNOSTICS) (H4DOTC)>Read Diagnostic Trouble Code (DTC)>OPERATION .

    Yes: Check the appropriate DTC using the "List of Diagnostic Trouble Code (DTC)". Ref. to ENGINE (DIAGNOSTICS) (H4DOTC)>LIST OF DIAGNOSTIC TROUBLE CODE (DTC) .

    No: Check ignition control system. Ref. to ENGINE (DIAGNOSTICS) (H4DOTC)>Diagnostics for Engine Starting Failure>IGNITION CONTROL SYSTEM .

  4. CHECK PUSH BUTTON IGNITION SWITCH  .

    Press the push button ignition switch twice with the ignition OFF (ACC OFF).

    NOTE: Release the brake pedal.

    Does the ignition turn to ON?

    Yes: Go to  5.

    No: Check the push button start system. Ref. to KEYLESS ACCESS WITH PUSH BUTTON START(DIAGNOSTICS)>General Diagnostic Table>INSPECTION>POWER SUPPLY SWITCHING SYSTEM .

  5. CHECK PUSH BUTTON IGNITION SWITCH  .
    1. Depress the brake pedal.
      NOTE: Shift the select lever to "P" range.
    2. Check the push button ignition switch indicator.

    Does the indicator turn to green?

    Yes: Go to  6.

    No: Check the push button start system. Ref. to KEYLESS ACCESS WITH PUSH BUTTON START(DIAGNOSTICS)>Diagnostics with Phenomenon>INSPECTION>ENGINE DOES NOT START .

  6. CHECK START SWITCH SIGNAL  .
    1. Using the Subaru Select Monitor, read the waveform in [Starter Switch].
      NOTE: For detailed procedures, refer to "Data Monitor". Ref. to ENGINE (DIAGNOSTICS) (H4DOTC)>SUBARU SELECT MONITOR .
    2. Press the push button ignition switch once with the brake pedal depressed.

    Does a waveform occur in [Starter Switch]?

    Yes: Go to  10.

    No: Go to  7.

  7. CHECK HARNESS BETWEEN ECM AND KEYLESS ACCESS CONTROL MODULE  .
    1. Turn the ignition to OFF.
    2. Disconnect the connector from ECM.
    3. Disconnect the connector from the keyless access Control Module.
    4. Measure the resistance of harness between ECM and keyless access Control Module.

      Connector & terminal 

      (B134) No. 45 - (B572) No. 7:

    Is the resistance less than 1 Ω?

    Yes: Go to  8.

    No: Repair the harness and connector.

    NOTE: In this case, repair the following item:
    • Open circuit in harness between ECM and keyless access Control Module
    • Poor contact of coupling connector
  8. CHECK HARNESS BETWEEN ECM AND KEYLESS ACCESS CONTROL MODULE  .

    Measure the resistance between ECM and chassis ground.

    Connector & terminal 

    (B134) No. 45 - Chassis ground:

    Is the resistance 1 MΩ or more?

    Yes: Go to  9.

    No: Repair the short circuit to ground in harness between ECM and keyless access Control Module.

  9. CHECK START SWITCH SIGNAL  .
    1. Connect the connector to ECM.
    2. Connect the connector to the keyless access Control Module.
    3. Read the waveform of start switch signal using an oscilloscope.
    4. Press the push button ignition switch once with the brake pedal depressed.

      Connector & terminal 

      (B134) No. 45 (+) - Chassis ground (-):

    Does waveform of the start switch signal occur?

    Yes: Repair the poor contact of ECM connector.

    No: Repair the poor contact of keyless access Control Module connector.

  10. CHECK INPUT SIGNAL FOR STARTER MOTOR  .
    1. Turn the ignition to OFF.
    2. Disconnect the connector from starter motor.
    3. Place the select lever in "P" range or "N" range.
    4. Press the push button ignition switch once with the brake pedal depressed.
    5. Measure the voltage between the starter motor connector and the engine ground.

      Connector & terminal 

      (B14) No. 1 (+) - Engine ground (-):

    Is the voltage 10 V or more?

    Yes: Check the starter motor. Ref. to STARTING/CHARGING SYSTEMS(H4DO)>STARTER .

    No: Go to  11.

  11. CHECK IG Relay 1 (PUSH BUTTON START) POWER SUPPLY  .
    1. Remove the IG relay 1 (push button start).
    2. Turn the ignition to ON.
    3. Measure the voltage between the IG relay 1 (push button start) connector and chassis ground.

      Connector & terminal 

      (B225) No. 37 (+) - Chassis ground (-):

      (B225) No. 38 (+) - Chassis ground (-):

    Is the voltage 10 V or more?

    Yes: Go to  12.

    No: Check the following item and repair or replace if necessary.

    • Blown out of fuse
    • Open circuit or short circuit to ground in harness between IG relay 1 (push button start) connector and keyless access Control Module
    • Open circuit or short circuit to ground in harness between IG relay 1 (push button start) connector and battery
  12. CHECK HARNESS BETWEEN IG Relay 1 (PUSH BUTTON START) CONNECTOR AND CHASSIS GROUND  .
    1. Turn the ignition to OFF.
    2. Measure the resistance of harness between the IG relay 1 (push button start) connector and chassis ground.

      Connector & terminal 

      (B225) No. 39 - Chassis ground:

    Is the resistance less than 5 Ω?

    Yes: Go to  13.

    No: Check the following item and repair or replace if necessary.

    • Open circuit in harness between IG relay 1 (push button start) connector and chassis ground
    • Poor contact of coupling connector
  13. CHECK IG Relay 1 (PUSH BUTTON START)  .
    1. Connect the battery to IG relay 1 (push button start) terminals No. 38 and No. 39.
    2. Measure the resistance between IG relay 1 (push button start) terminals.

      Terminals 

      No. 36 - No. 37:

    Is the resistance less than 1 Ω?

    Yes: Go to  14.

    No: Replace the IG relay 1 (push button start). Ref. to SECURITY AND LOCKS>IG RELAY1 (PUSH BUTTON START) .

  14. CHECK STARTER RELAY (PUSH BUTTON START) POWER SUPPLY  .
    1. Install the IG relay 1 (push button start).
    2. Remove the starter relay (push button start).
    3. Turn the ignition to ON.
    4. Measure the voltage between starter relay (push button start) connector and chassis ground.

      Connector & terminal 

      (B225) No. 29 (+) - Chassis ground (-):

      (B225) No. 30 (+) - Chassis ground (-):

    Is the voltage 10 V or more?

    Yes: Go to  15.

    No: Check the following item and repair or replace if necessary.

    • Blown out of fuse (F/B No. 26)
    • Open circuit or short circuit to ground in harness between starter relay (push button start) connector and IG relay 1 (push button start) connector
    • Open circuit or short circuit to ground in harness between starter relay (push button start) connector and battery
  15. CHECK HARNESS BETWEEN STARTER RELAY (PUSH BUTTON START) CONNECTOR AND CHASSIS GROUND  .
    1. Turn the ignition to OFF.
    2. Measure the resistance of harness between starter relay (push button start) connector and chassis ground.

      Connector & terminal 

      (B225) No. 31 - Chassis ground:

    Is the resistance less than 5 Ω?

    Yes: Go to  16.

    No: Check the following item and repair or replace if necessary.

    • Open circuit in harness between starter relay (push button start) connector and chassis ground
    • Poor contact of coupling connector
  16. CHECK STARTER RELAY (PUSH BUTTON START)  .
    1. Connect the battery to starter relay (push button start) terminals No. 30 and No. 31.
    2. Measure the resistance between starter relay (push button start) terminals.

      Terminals 

      No. 28 - No. 29:

    Is the resistance less than 1 Ω?

    Yes: Go to  17.

    No: Replace the starter relay (push button start). Ref. to SECURITY AND LOCKS>STARTER RELAY (PUSH BUTTON START) .

  17. CHECK HARNESS BETWEEN STARTER RELAY (PUSH BUTTON START) CONNECTOR AND STARTER CUT RELAY CONNECTOR  .
    1. Remove the starter cut relay.
    2. Measure the resistance of harness between starter relay (push button start) connector and starter cut relay connector.

      Connector & terminal 

      (B225) No. 28 - (B225) No. 42:

      (B225) No. 28 - (B225) No. 44:

    Is the resistance less than 1 Ω?

    Yes: Go to  18.

    No: Repair the open circuit in harness between starter relay (push button start) connector and starter cut relay connector.

  18. CHECK HARNESS BETWEEN ECM AND STARTER CUT RELAY CONNECTOR  .
    1. Disconnect the connector from ECM.
    2. Measure the resistance between starter cut relay and chassis ground.

      Connector & terminal 

      (B225) No. 40 - Chassis ground:

    Is the resistance 1 MΩ or more?

    Yes: Go to  19.

    No: Repair the short circuit to ground in harness between ECM and starter cut relay connector.

  19. CHECK STARTER CUT RELAY  .

    Measure the resistance between starter cut relay terminals.

    Terminals 

    No. 41 - No. 44:

    Is the resistance less than 1 Ω?

    Yes: Go to  20.

    No: Replace the starter cut relay. Ref. to SECURITY AND LOCKS>STARTER CUT RELAY .

  20. CHECK HARNESS BETWEEN STARTER CUT RELAY CONNECTOR AND STARTER RELAY 1 CONNECTOR  .

    Measure the resistance of harness between starter cut relay connector and starter relay 1 connector.

    Connector & terminal 

    (B225) No. 41 - (B225) No. 2:

    (B225) No. 41 - (B225) No. 3:

    Is the resistance less than 1 Ω?

    Yes: Go to  21.

    No: Repair the open circuit of harness between starter cut relay connector and starter relay 1 connector.

  21. CHECK HARNESS BETWEEN ECM AND STARTER RELAY 1 CONNECTOR  .

    Measure the resistance of harness between ECM and starter relay 1 connector.

    Connector & terminal 

    (B134) No. 14 - (B225) No. 5:

    Is the resistance less than 1 Ω?

    Yes: Go to  22.

    No: Repair the open circuit of harness between ECM and starter relay 1 connector.

  22. CHECK STARTER RELAY 1  .
    1. Connect the battery to starter relay 1 terminals No. 3 and No. 5.
    2. Measure the resistance between starter relay 1 terminals.

      Terminals 

      No. 1 - No. 2:

    Is the resistance less than 1 Ω?

    Yes: Go to  23.

    No: Replace the starter relay 1. Ref. to ENGINE (DIAGNOSTICS) (H4DOTC)>Electrical Component Location>LOCATION .

  23. CHECK HARNESS BETWEEN STARTER RELAY 1 CONNECTOR AND INHIBITOR SWITCH CONNECTOR  .
    1. Disconnect the connector from inhibitor switch.
    2. Measure the resistance of harness between starter relay 1 connector and inhibitor switch connector.

      Connector & terminal 

      (B225) No. 1 - (T7) No. 6:

    Is the resistance less than 1 Ω?

    Yes: Go to  24.

    No: Repair the harness and connector.

    NOTE: In this case, repair the following item:
    • Open circuit in harness between starter relay 1 connector and inhibitor switch connector
    • Poor contact of coupling connector
  24. CHECK HARNESS BETWEEN ECM AND INHIBITOR SWITCH CONNECTOR  .
    1. Disconnect the connector from ECM.
    2. Measure the resistance of harness between ECM and inhibitor switch connector.

      Connector & terminal 

      (B134) No. 33 - (T7) No. 6:

      (B134) No. 8 - (T7) No. 9:

    Is the resistance less than 1 Ω?

    Yes: Go to  25.

    No: Repair the harness and connector.

    NOTE: In this case, repair the following item:
    • Open circuit in harness between ECM and inhibitor switch connector
    • Poor contact of coupling connector
  25. CHECK INHIBITOR SWITCH  .
    1. Place the select lever in "P" range or "N" range.
    2. Measure the resistance between inhibitor switch terminals.

      Terminals 

      No. 6 - No. 9:

    Is the resistance less than 1 Ω?

    Yes: Go to  26.

    No: Replace the inhibitor switch. Ref. to CONTINUOUSLY VARIABLE TRANSMISSION(TR690)>INHIBITOR SWITCH .

  26. CHECK NEUTRAL POSITION SWITCH SIGNAL  .
    1. Connect all relays to their proper positions.
    2. Connect all connectors to their proper positions.
    3. Using the Subaru Select Monitor, read the value in [Neutral Position Switch].
      NOTE: For detailed procedures, refer to "Data Monitor". Ref. to ENGINE (DIAGNOSTICS) (H4DOTC)>SUBARU SELECT MONITOR .
    4. Turn the ignition to ON.
    5. Place the select lever in "P" range or "N" range.

    Is [Neutral Position Switch] displayed?

    Yes: Check the engine control module (ECM) power supply and ground line. Ref. to ENGINE (DIAGNOSTICS) (H4DOTC)>Diagnostics for Engine Starting Failure>CHECK POWER SUPPLY AND GROUND LINE OF ENGINE CONTROL MODULE (ECM) .

    No: Repair the harness and connector.

    NOTE: In this case, repair the following item:
    • Open circuit in harness between inhibitor switch connector and starter motor connector
    • Poor contact of coupling connector