LEMON Manuals: Even more car manuals for everyone: 1960-2025
Home >> Subaru >> 2018 >> Forester 2.5i Touring >> Repair and Diagnosis >> Engine Performance >> System >> Engine Control System (Diagnostics - Introduction) (H4DO) >> Diagnostics for Engine Starting Failure >> Starter Motor Circuit >> Model Without Push Button Start
April 5, 2026: LEMON Manuals is launched! Read the announcement.

Model Without Push Button Start

CAUTION:

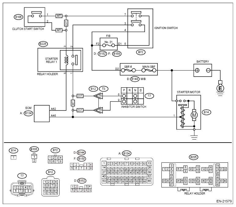
Wiring diagram: 

Engine Electrical System Ref. to WIRING SYSTEM>Engine Electrical System>WIRING DIAGRAM .

G12519062Courtesy of SUBARU OF AMERICA, INC.
  1. CHECK BATTERY  .

    Check the battery. Ref. to STARTING/CHARGING SYSTEMS(H4DO)>BATTERY .

    Is the check result OK?

    Yes: Go to  2.

    No: Charge or replace the battery. Ref. to STARTING/CHARGING SYSTEMS(H4DO)>BATTERY .

  2. CHECK OPERATION OF STARTER MOTOR  .

    Does the starter motor operate?

    Yes: Go to  3.

    No: Go to  4.

  3. CHECK DTC  .

    Are any DTCs displayed? Ref. to ENGINE (DIAGNOSTICS) (H4DO)>Read Diagnostic Trouble Code (DTC)>OPERATION .

    Yes: Check the appropriate DTC using the "List of Diagnostic Trouble Code (DTC)". Ref. to ENGINE (DIAGNOSTICS) (H4DO)>List of Diagnostic Trouble Code (DTC) .

    No: Check ignition control system. Ref. to ENGINE (DIAGNOSTICS) (H4DO)>Diagnostics for Engine Starting Failure>IGNITION CONTROL SYSTEM .

  4. CHECK INPUT SIGNAL FOR STARTER MOTOR  .
    1. Turn the ignition switch to OFF.
    2. Disconnect the connector from starter motor.
    3. Turn the ignition switch to START.
    4. Measure the voltage between the starter motor connector and the engine ground.

      Connector & terminal 

      (B14) No. 1 (+) - Engine ground (-):

      NOTE:
      • For CVT model, place the select lever in "P" range or "N" range.
      • For model with clutch start switch, depress the clutch pedal.

    Is the voltage 10 V or more?

    Yes: Check the starter motor. Ref. to STARTING/CHARGING SYSTEMS(H4DO)>STARTER .

    No: Go to  5.

  5. CHECK HARNESS BETWEEN BATTERY AND IGNITION SWITCH CONNECTOR  .
    1. Turn the ignition switch to OFF.
    2. Disconnect the connector from ignition switch.
    3. Measure the power supply voltage between ignition switch connector and chassis ground.

      Connector & terminal 

      (B72) No. 4 (+) - Chassis ground (-):

      (B72) No. 5 (+) - Chassis ground (-):

    Is the voltage 10 V or more?

    Yes: Go to  6.

    No: Repair the power supply circuit.

  6. CHECK IGNITION SWITCH  .

    Measure the resistance between ignition switch terminals after turning the ignition switch to START position.

    Terminals 

    No. 3 - No. 4:

    No. 5 - No. 7:

    Is the resistance less than 1 Ω?

    Yes: Go to  7.

    No: Replace the ignition switch. Ref. to SECURITY AND LOCKS>Ignition Key Lock>REPLACEMENT .

  7. CHECK INPUT VOLTAGE OF STARTER RELAY  .
    1. Turn the ignition switch to OFF.
    2. Remove the starter relay.
    3. Connect the connector to ignition switch.
    4. Measure the voltage between starter relay connector and chassis ground after turning the ignition switch to START position.

      Connector & terminal 

      (B225) No. 2 (+) - Chassis ground (-):

    Is the voltage 10 V or more?

    Yes: Go to  8.

    No: Repair the open circuit of harness between starter relay and ignition switch connector.

  8. CHECK HARNESS BETWEEN ECM AND STARTER RELAY CONNECTOR  .
    1. Turn the ignition switch to OFF.
    2. Disconnect the connector from ECM.
    3. Measure the resistance of harness between ECM connector and starter relay connector.

      Connector & terminal 

      (B134) No. 62 - (B225) No. 5:

    Is the resistance less than 1 Ω?

    Yes: Go to  9.

    No: Repair the open circuit of harness between ECM connector and starter relay connector.

  9. CHECK STARTER RELAY  .
    1. Connect the battery to starter relay terminals No. 3 and No. 5.
    2. Measure the resistance between starter relay terminals.

      Terminals 

      No. 1 - No. 2:

    Is the resistance less than 1 Ω?

    Yes: Go to  10.

    No: Replace the starter relay. Ref. to ENGINE (DIAGNOSTICS) (H4DO)>Electrical Component Location .

  10. CHECK TRANSMISSION TYPE  .

    Is the transmission type CVT?

    Yes: Go to  11.

    No: Go to  15.

  11. CHECK INPUT VOLTAGE OF STARTER RELAY  .

    Measure the voltage between starter relay connector and chassis ground after turning the ignition switch to START position.

    Connector & terminal 

    (B225) No. 3 (+) - Chassis ground (-):

    Is the voltage 10 V or more?

    Yes: Go to  12.

    No: Check the following item and repair if necessary.

    • Blown out of fuse
    • Open or short circuit to ground in harness between starter relay and ignition switch connector
  12. CHECK HARNESS BETWEEN STARTER RELAY AND INHIBITOR SWITCH CONNECTOR  .
    1. Turn the ignition switch to OFF.
    2. Disconnect the connector from inhibitor switch.
    3. Measure the resistance of harness between starter relay connector and inhibitor switch connector.

      Connector & terminal 

      (B225) No. 1 - (T7) No. 6:

    Is the resistance less than 1 Ω?

    Yes: Go to  13.

    No: Repair the harness and connector.

    NOTE: In this case, repair the following item:
    • Open circuit in harness between starter relay connector and inhibitor switch connector
    • Poor contact of coupling connector
  13. CHECK HARNESS BETWEEN INHIBITOR SWITCH AND STARTER MOTOR  .

    Measure the resistance of harness between the inhibitor switch connector and starter motor.

    Connector & terminal 

    (T7) No. 9 - (B14) No. 1:

    Is the resistance less than 1 Ω?

    Yes: Go to  14.

    No: Repair the harness and connector.

    NOTE: In this case, repair the following item:
    • Open circuit in harness between inhibitor switch connector and starter motor
    • Poor contact of coupling connector
  14. CHECK INHIBITOR SWITCH  .
    1. Place the select lever in "P" range and "N" range.
    2. Measure the resistance between inhibitor switch terminals.

      Terminals 

      No. 6 - No. 9:

    Is the resistance less than 1 Ω?

    Yes: Check the engine control module (ECM) power supply and ground line. Ref. to ENGINE (DIAGNOSTICS) (H4DO)>Diagnostics for Engine Starting Failure>CHECK POWER SUPPLY AND GROUND LINE OF ENGINE CONTROL MODULE (ECM) .

    No: Replace the inhibitor switch. Ref. to CONTINUOUSLY VARIABLE TRANSMISSION(TR580)>INHIBITOR SWITCH .

  15. CHECK INPUT VOLTAGE OF CLUTCH START SWITCH  .
    1. Disconnect the connector from clutch start switch.
    2. Turn the ignition switch to START.
    3. Measure the voltage between the clutch start switch connector and chassis ground.

      Connector & terminal 

      (B106) No. 1 (+) - Chassis ground (-):

    Is the voltage 10 V or more?

    Yes: Go to  16.

    No: Check the following item and repair if necessary.

    • Blown out of fuse
    • Open or short circuit to ground in harness between ignition switch connector and clutch start switch connector
  16. CHECK CLUTCH START SWITCH  .
    1. Turn the ignition switch to OFF.
    2. Measure the resistance between clutch start switch terminals while keeping the clutch pedal depressed.

      Terminals 

      No. 1 - No. 2:

    Is the resistance less than 1 Ω?

    Yes: Go to  17.

    No: Replace the clutch start switch. Ref. to CLUTCH SYSTEM>CLUTCH SWITCH .

  17. CHECK HARNESS BETWEEN STARTER RELAY AND CLUTCH START SWITCH  .

    Measure the resistance of harness between starter relay and clutch start switch connector.

    Connector & terminal 

    (B225) No. 3 - (B106) No. 2:

    Is the resistance less than 1 Ω?

    Yes: Go to  18.

    No: Repair the open circuit in harness between starter relay and clutch start switch connector.

  18. CHECK HARNESS BETWEEN STARTER RELAY CONNECTOR AND STARTER MOTOR CONNECTOR  .

    Measure the resistance of harness between starter relay connector and starter motor connector.

    Connector & terminal 

    (B225) No. 1 - (B14) No. 1:

    Is the resistance less than 1 Ω?

    Yes: Check the engine control module (ECM) power supply and ground line. Ref. to ENGINE (DIAGNOSTICS) (H4DO)>Diagnostics for Engine Starting Failure>CHECK POWER SUPPLY AND GROUND LINE OF ENGINE CONTROL MODULE (ECM) .

    No: Repair the open circuit in harness between starter relay connector and starter motor connector.