LEMON Manuals: Even more car manuals for everyone: 1960-2025
Home >> Subaru >> 2018 >> Forester 2.5i, Standard Trans >> Repair and Diagnosis >> Engine Performance >> System >> Engine Control System (Diagnostics - Introduction) (H4DO) >> Diagnostics for Engine Starting Failure >> Ignition Control System
April 5, 2026: LEMON Manuals is launched! Read the announcement.

Ignition Control System

CAUTION:

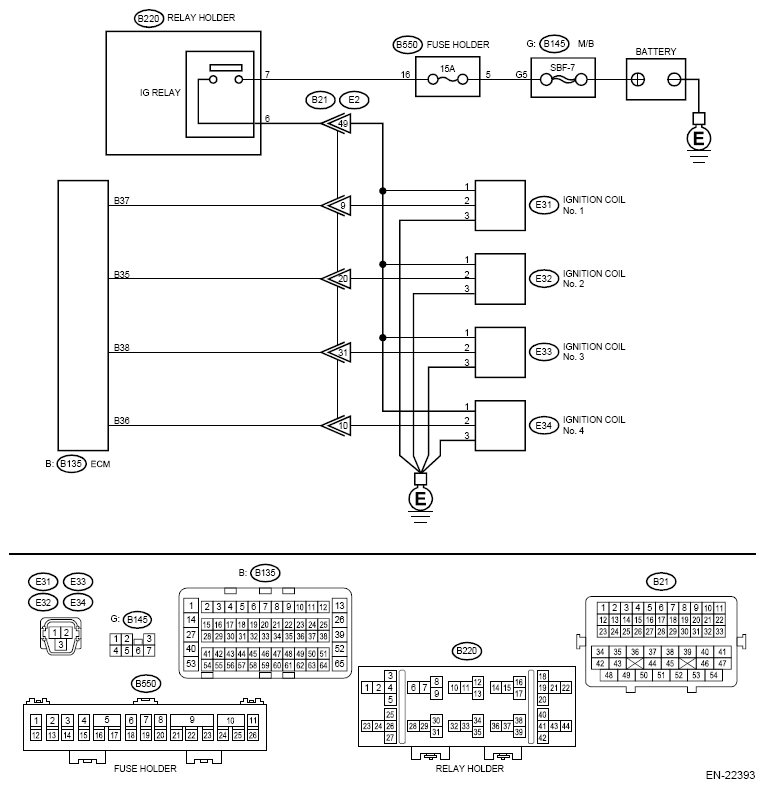
Wiring diagram: 

Engine Electrical System Ref. to WIRING SYSTEM>Engine Electrical System>WIRING DIAGRAM .

G12519065Courtesy of SUBARU OF AMERICA, INC.
  1. CHECK SPARK PLUG CONDITION  .
    1. Remove the spark plug. Ref. to IGNITION(H4DO)>Spark Plug>REMOVAL .
    2. Check the spark plug condition. Ref. to IGNITION(H4DO)>Spark Plug>INSPECTION .

    Is the check result OK?

    Yes: Go to  2.

    No: Replace the spark plug. Ref. to IGNITION(H4DO)>SPARK PLUG .

  2. CHECK IGNITION SYSTEM FOR SPARKS  .
    1. Connect the spark plug to ignition coil.
    2. Release the fuel pressure. Ref. to FUEL INJECTION (FUEL SYSTEMS) (H4DO)>Fuel>PROCEDURE>RELEASING OF FUEL PRESSURE .
    3. Contact the spark plug thread portion to engine.
    4. While opening the throttle valve fully, crank the engine to check that spark occurs at each cylinder.

    Does spark occur at each cylinder?

    Yes: Check fuel pump system. Ref. to ENGINE (DIAGNOSTICS) (H4DO)>Diagnostics for Engine Starting Failure>FUEL PUMP CIRCUIT .

    No: Go to  3.

  3. CHECK IGNITION COIL POWER SUPPLY CIRCUIT  .
    1. Turn the ignition switch to OFF.
    2. Disconnect the connector from ignition coil.
    3. Turn the ignition switch to ON.
    4. Measure the voltage between ignition coil connector and engine ground.

      Connector & terminal 

      (E31) No. 1 (+) - Engine ground (-):

      (E32) No. 1 (+) - Engine ground (-):

      (E33) No. 1 (+) - Engine ground (-):

      (E34) No. 1 (+) - Engine ground (-):

    Is the voltage 10 V or more?

    Yes: Go to  4.

    No: Repair the harness and connector.

    NOTE: In this case, repair the following item:
    • Open or short to ground in harness of power supply circuit
    • Poor contact of coupling connector
    • Blown out of fuse
  4. CHECK HARNESS OF IGNITION COIL GROUND CIRCUIT  .
    1. Turn the ignition switch to OFF.
    2. Measure the resistance of harness between ignition coil connector and engine ground.

      Connector & terminal 

      (E31) No. 3 - Engine ground:

      (E32) No. 3 - Engine ground:

      (E33) No. 3 - Engine ground:

      (E34) No. 3 - Engine ground:

    Is the resistance less than 5 Ω?

    Yes: Go to  5.

    No: Repair the open circuit in harness between ignition coil connector and engine grounding terminal.

  5. CHECK HARNESS BETWEEN ECM AND IGNITION COIL CONNECTOR  .
    1. Disconnect the connector from ECM.
    2. Measure the resistance of harness between ECM connector and ignition coil connector.

      Connector & terminal 

      (B135) No. 37 - (E31) No. 2:

      (B135) No. 35 - (E32) No. 2:

      (B135) No. 38 - (E33) No. 2:

      (B135) No. 36 - (E34) No. 2:

    Is the resistance less than 1 Ω?

    Yes: Go to  6.

    No: Repair the harness and connector.

    NOTE: In this case, repair the following item:
    • Open circuit of harness between ECM connector and the ignition coil connector
    • Poor contact of coupling connector
  6. CHECK HARNESS BETWEEN ECM AND IGNITION COIL CONNECTOR  .

    Measure the resistance of harness between ECM connector and engine ground.

    Connector & terminal: 

    (B135) No. 37 - Engine ground:

    (B135) No. 35 - Engine ground:

    (B135) No. 38 - Engine ground:

    (B135) No. 36 - Engine ground:

    Is the resistance 1 MΩ or more?

    Yes: Go to  7.

    No: Repair the ground short circuit of harness between ECM connector and ignition coil connector.

  7. CHECK FOR POOR CONTACT  .

    Check for poor contact of ECM connector.

    Is there poor contact of ECM connector?

    Yes: Repair the poor contact of ECM connector.

    No: Replace the ignition coil Ref. to IGNITION(H4DO)>IGNITION COIL .