LEMON Manuals: Even more car manuals for everyone: 1960-2025
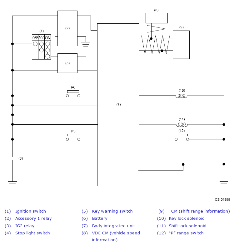
Home >> Subaru >> 2019 >> Outback 2.5i >> Repair and Diagnosis >> Transmission >> Automatic Trans >> Transmission Control Systems >> AT Shift Lock Control System >> Wiring Diagram >> Model Without Push Button Ignition Switch
April 5, 2026: LEMON Manuals is launched! Read the announcement.

Model Without Push Button Ignition Switch

G13249250Courtesy of SUBARU OF AMERICA, INC.