LEMON Manuals: Even more car manuals for everyone: 1960-2025
Home >> Subaru >> 2022 >> Outback Limited XT >> Repair and Diagnosis >> Engine Performance >> System >> Engine Control System (2.4L) (Diagnostics) (General) >> Diagnostics With Phenomenon >> Check Power Supply And Ground Line Of Engine Control Module (ECM)
April 5, 2026: LEMON Manuals is launched! Read the announcement.

Check Power Supply And Ground Line Of Engine Control Module (ECM)

NOTE:

After the faulty parts are repaired or replaced, perform the final check in Basic Diagnostic Procedure. Ref. to  ENGINE (DIAGNOSTICS) (H4DOTC)>BASIC DIAGNOSTIC PROCEDURE>PROCEDURE 

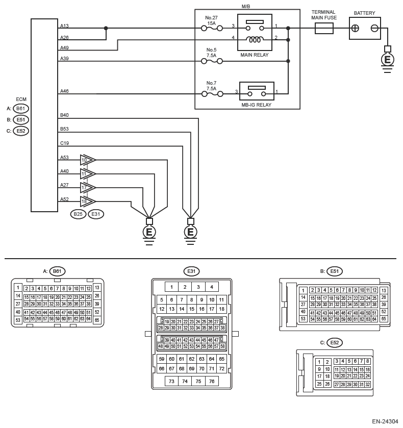
Wiring diagram: 

Engine Electrical System Ref. to WIRING SYSTEM>ENGINE ELECTRICAL SYSTEM>WIRING DIAGRAM .

G13630034Courtesy of SUBARU OF AMERICA, INC.
CAUTION:

Use the check board when measuring the ECM terminal voltage and resistance. Ref. to  ENGINE (DIAGNOSTICS) (H4DOTC)>GENERAL DESCRIPTION>PREPARATION TOOL>HOW TO USE CHECK BOARD  . 

  1. CHECK FOR MALFUNCTION STATUS  .

    Check for the generating condition of starting failure.

    Is this a starting failure during Auto Start Stop?

    Yes:  Check the Auto Start Stop. Ref. to AUTO START STOP (DIAGNOSTICS)>BASIC DIAGNOSTIC PROCEDURE .

    No:  Go to  2 .

  2. CHECK MAIN RELAY  .
    1. Turn the ignition switch to OFF.
    2. Remove the main relay.
    3. Check the main relay. Ref. to FUEL INJECTION (FUEL SYSTEMS) (H4DOTC)>MAIN RELAY .

    Is the check result OK?

    Yes:  Go to  3 .

    No:  Replace the main relay. Ref. to FUEL INJECTION (FUEL SYSTEMS) (H4DOTC)>MAIN RELAY .

  3. CHECK GROUND CIRCUIT FOR ECM (OPEN CIRCUIT)  .
    1. Disconnect the connector from ECM.
    2. Measure the resistance of harness between ECM connector and engine ground.

      Connector and terminal 

      (B61) No. 27 - Engine ground:

      (B61) No. 40 - Engine ground:

      (B61) No. 52 - Engine ground:

      (B61) No. 53 - Engine ground:

      (E51) No. 40 - Engine ground:

      (E51) No. 53 - Engine ground:

      (E52) No. 19 - Engine ground:

    Is the resistance less than 5 Ω?

    Yes:  Go to  4 .

    No:  Repair the following item.

    • Open circuit of harness between ECM connector and engine ground
    • Poor contact of coupling connector
  4. CHECK INPUT VOLTAGE OF ECM (SHORT TO GROUND)  .
    1. Turn the ignition switch to ON.
    2. Measure the voltage between ECM connector and engine ground.

      Connector and terminal 

      (B61) No. 39 (+) - Engine ground (-):

      (B61) No. 46 (+) - Engine ground (-):

    Is the voltage 10 V or more?

    Yes:  Go to  5 .

    No:  Repair the open or ground short in the harness of power supply circuit.

  5. CHECK M/B (MAIN RELAY) INPUT VOLTAGE  .

    Measure the voltage between M/B (main relay) terminal and engine ground.

    Terminals 

    No. 1 (+) - Engine ground (-):

    No. 2 (+) - Engine ground (-):

    Is the voltage 10 V or more?

    Yes:  Go to  6 .

    No:  Repair the open or ground short in the harness of power supply circuit.

  6. CHECK INPUT VOLTAGE OF ECM  .
    1. Turn the ignition switch to OFF.
    2. Install the main relay.
    3. Measure the voltage between ECM connector and engine ground.

      Connector and terminal 

      (B61) No. 49 (+) - Engine ground (-):

    Is the voltage 10 V or more?

    Yes:  Go to  7 .

    No:  Repair the open circuit of harness between ECM connector and M/B (main relay) terminal.

  7. CHECK HARNESS BETWEEN ECM AND M/B (MAIN RELAY)  .
    1. Connect the connector to ECM.
    2. Turn the ignition switch to ON.
    3. Measure the voltage between ECM connector and engine ground.

      Connector and terminal 

      (B61) No. 13 (+) - Engine ground (-):

      (B61) No. 26 (+) - Engine ground (-):

    Is the voltage 10 V or more?

    Yes:  Check the starter motor circuit. Ref. to ENGINE (DIAGNOSTICS) (H4DOTC)>DIAGNOSTICS WITH PHENOMENON>STARTER MOTOR CIRCUIT .

    No:  Repair the following item.

    • Open circuit of harness between ECM connector and M/B (main relay)
    • Poor contact of M/B (main relay)
    • Blown out of fuse
    • Poor contact of ECM connector
NOTE:

After the faulty parts are repaired or replaced, perform the final check in Basic Diagnostic Procedure. Ref. to  ENGINE (DIAGNOSTICS) (H4DOTC)>BASIC DIAGNOSTIC PROCEDURE>PROCEDURE  .