LEMON Manuals: Even more car manuals for everyone: 1960-2025
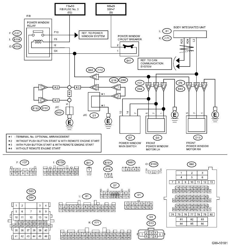
Home >> Subaru >> 2023 >> Forester Base >> Repair and Diagnosis >> Body & Frame >> Windows >> Power Window System (Diagnostics) >> Data Monitor >> List
April 5, 2026: LEMON Manuals is launched! Read the announcement.

Data Monitor: List