LEMON Manuals: Even more car manuals for everyone: 1960-2025
Home >> Subaru >> 2023 >> Forester Base >> Repair and Diagnosis >> Brakes >> Traction Control >> Brake Control System (Diagnostics) >> Warning Light Illumination Pattern >> Inspection
April 5, 2026: LEMON Manuals is launched! Read the announcement.

Warning Light Illumination Pattern: Inspection

G16354978Courtesy of SUBARU OF AMERICA, INC.
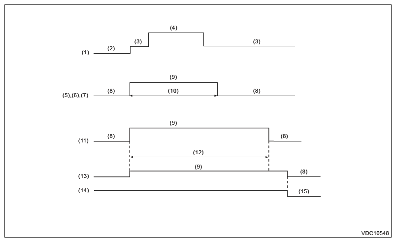
(1) Brake warning light (EBD warning light) and electronic parking brake warning light
(2) ABS warning light
(3) VDC warning light & VDC indicator light
(4) VDC OFF indicator light
(5) Electronic parking brake operation indicator light
(6) AVH ON indicator light
(7) AVH operation indicator light
G16354979Courtesy of SUBARU OF AMERICA, INC.
(1) Ignition switch
(2) OFF
(3) ON
(4) Engine start
(5) ABS warning light
(6) Brake warning light (EBD warning light) and electronic parking brake warning light
(7) VDC OFF indicator light
(8) Light OFF
(9) Light ON
(10) 2 seconds
(11) VDC warning light & VDC indicator light
(12) 2 seconds or more
(13) Electronic parking brake operation indicator light
(14) Parking brake
(15) Released
NOTE:
  • The AVH ON indicator light illuminates/goes off when the AVH switch is operated with the ignition switch ON or after the engine is started.
  • The AVH operation indicator light illuminates when the AVH is activated, and goes of when the AVH is deactivated.
  1. When warning lights or indicator lights do not illuminate in accordance with this illumination pattern, there must be an electrical malfunction.
  2. When the warning lights or indicator lights remain constantly OFF, check the combination meter circuit. Ref. to BRAKE CONTROL (DIAGNOSTICS)>WARNING LIGHT ILLUMINATION PATTERN>EBD WARNING LIGHT, ABS WARNING, VDC OFF INDICATOR LIGHT, VDC WARNING LIGHT AND VDC INDICATOR LIGHT DO NOT COME ON . Ref. to BRAKE CONTROL (DIAGNOSTICS)>WARNING LIGHT ILLUMINATION PATTERN>ELECTRONIC PARKING BRAKE INDICATOR LIGHT DO NOT COME ON .
  3. When the ABS warning light, VDC OFF indicator light, VDC warning light & VDC indicator light and electronic parking brake operation indicator light do not go off, check the combination meter circuit or CAN communication circuit. Ref. to BRAKE CONTROL (DIAGNOSTICS)>WARNING LIGHT ILLUMINATION PATTERN>ABS WARNING LIGHT DOES NOT GO OFF . Ref. to BRAKE CONTROL (DIAGNOSTICS)>WARNING LIGHT ILLUMINATION PATTERN>VDC OFF INDICATOR LIGHT DOES NOT GO OFF . Ref. to BRAKE CONTROL (DIAGNOSTICS)>WARNING LIGHT ILLUMINATION PATTERN>VDC WARNING LIGHT AND VDC INDICATOR LIGHT DO NOT GO OFF . Ref. to BRAKE CONTROL (DIAGNOSTICS)>WARNING LIGHT ILLUMINATION PATTERN>ELECTRONIC PARKING BRAKE INDICATOR LIGHT DO NOT GO OFF .
    NOTE:
    • Even when the ABS warning light and the VDC warning light & VDC indicator light do not go off in 2 seconds after illuminating, the ABS and VDC functions are normal if the warning lights go off while the vehicle is driven. However, while these lights are on, the functions with their warning lights illuminated do not operate.
    • It may take several minutes before the VDC warning light & VDC indicator light goes off, if the vehicle is parked under low temperature for a specified time. This is not defective because it is resulted from low engine coolant temperature. Perform the Clear Memory Mode because DTC may be recorded at this time. Ref. to COMMON (DIAGNOSTICS)>CLEAR MEMORY .
    • With the vehicle jack-up/lift-up or set on free rollers, when the wheels lock or spin after starting the engine, ABS warning light, and VDC warning light & VDC indicator light may illuminate because VDCCM & H/U detects the abnormal conditions from ABS wheel speed sensor or longitudinal G sensor. In this case, this is not a malfunction. Clear the memory. Ref. to COMMON (DIAGNOSTICS)>CLEAR MEMORY .
    • When operation and release of the electronic parking brake is repeated excessively, the brake warning light (EBD warning light) & electronic parking brake warning light may illuminate or the electronic parking brake operation indicator light may blink and then the parking brake switch operation may not be accepted; this is not malfunction.