LEMON Manuals: Even more car manuals for everyone: 1960-2025
Home >> Subaru >> 2024 >> WRX Base >> Repair and Diagnosis (Single Page) >> Accessories & Equipment >> Communication Devices >> Front Relay Control Module (Diagnostics) >> General Description >> System Block Diagram
April 5, 2026: LEMON Manuals is launched! Read the announcement.

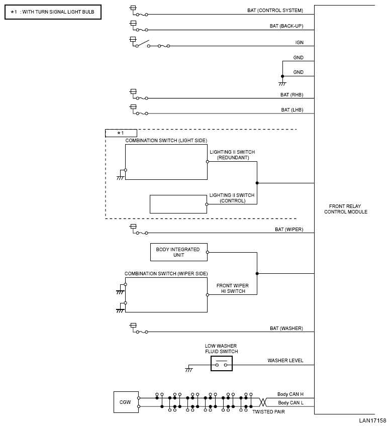
System Block Diagram

G16543203Courtesy of SUBARU OF AMERICA, INC.
G14615496Courtesy of SUBARU OF AMERICA, INC.