LEMON Manuals: Even more car manuals for everyone: 1960-2025
Home >> Suzuki >> 1990 >> Samurai >> Repair and Diagnosis >> Electrical >> Component Locations >> Electrical Component Locator >> Component Location Graphics
April 5, 2026: LEMON Manuals is launched! Read the announcement.

Component Location Graphics

NOTE: Figures may show multiple component locations. Refer to appropriate table for proper figure references.
Fig 1: Component Locations (1 Of 5)
G119111
Fig 2: Component Locations (2 Of 5)
G47506
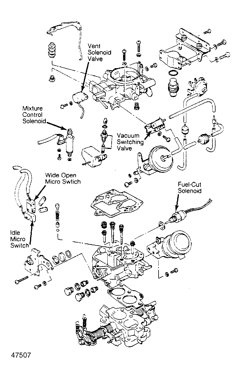
Fig 3: Component Locations (3 Of 5)
G47507
Fig 4: Component Locations (4 Of 5)
G47508
Fig 5: Component Locations (5 Of 5)
G50C00077