LEMON Manuals: Even more car manuals for everyone: 1960-2025
Home >> Suzuki >> 1998 >> Sidekick JS 2D 2WD L4-1.6L >> Repair and Diagnosis >> Powertrain Management >> Computers and Control Systems >> Description and Operation >> Electronic Control System
April 5, 2026: LEMON Manuals is launched! Read the announcement.

Electronic Control System

ELECTRONIC CONTROL SYSTEM
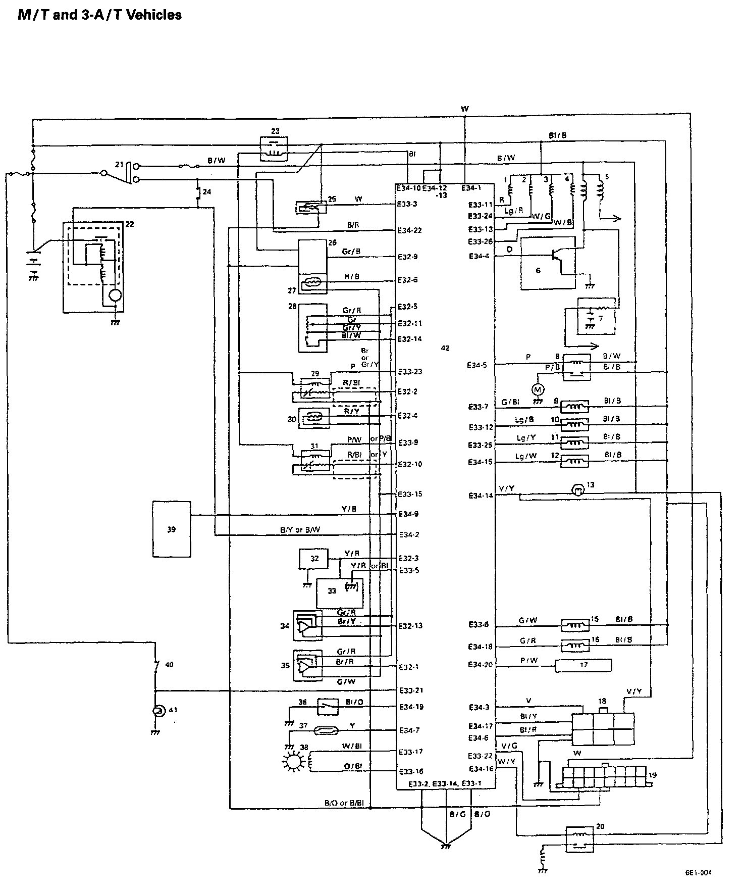
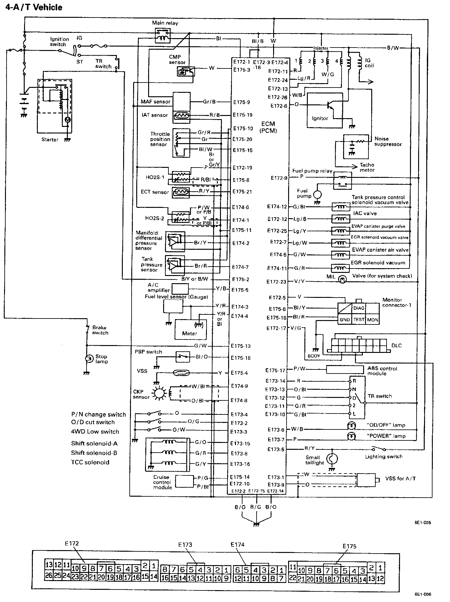
The electronic control system consists of 1) various sensors which detect the state of engine and driving conditions, 2) ECM (PCM) which controls various devices according to the signals from the sensors and 3) various controlled devices.

Functionally, it is divided into the following sub systems:
- Fuel injection control system
- Heated oxygen sensor heater control system
- Idle air control system
- Fuel pump control system
- Evaporative emission control system
- IC (Ignition Control) system
- EGR system
- TCC relay control system (3 A/T vehicle)
- A/T control system (4 A/T vehicle)


















M/T and 3-A/T vehicles













4-A/T vehicles