LEMON Manuals: Even more car manuals for everyone: 1960-2025
Home >> Suzuki >> 2004 >> Aerio S, Automatic >> Repair and Diagnosis >> Engine Performance >> Engine Control Systems >> Engine General Information & Diagnosis >> General Description >> ECM Input/Output Circuit Diagram
April 5, 2026: LEMON Manuals is launched! Read the announcement.

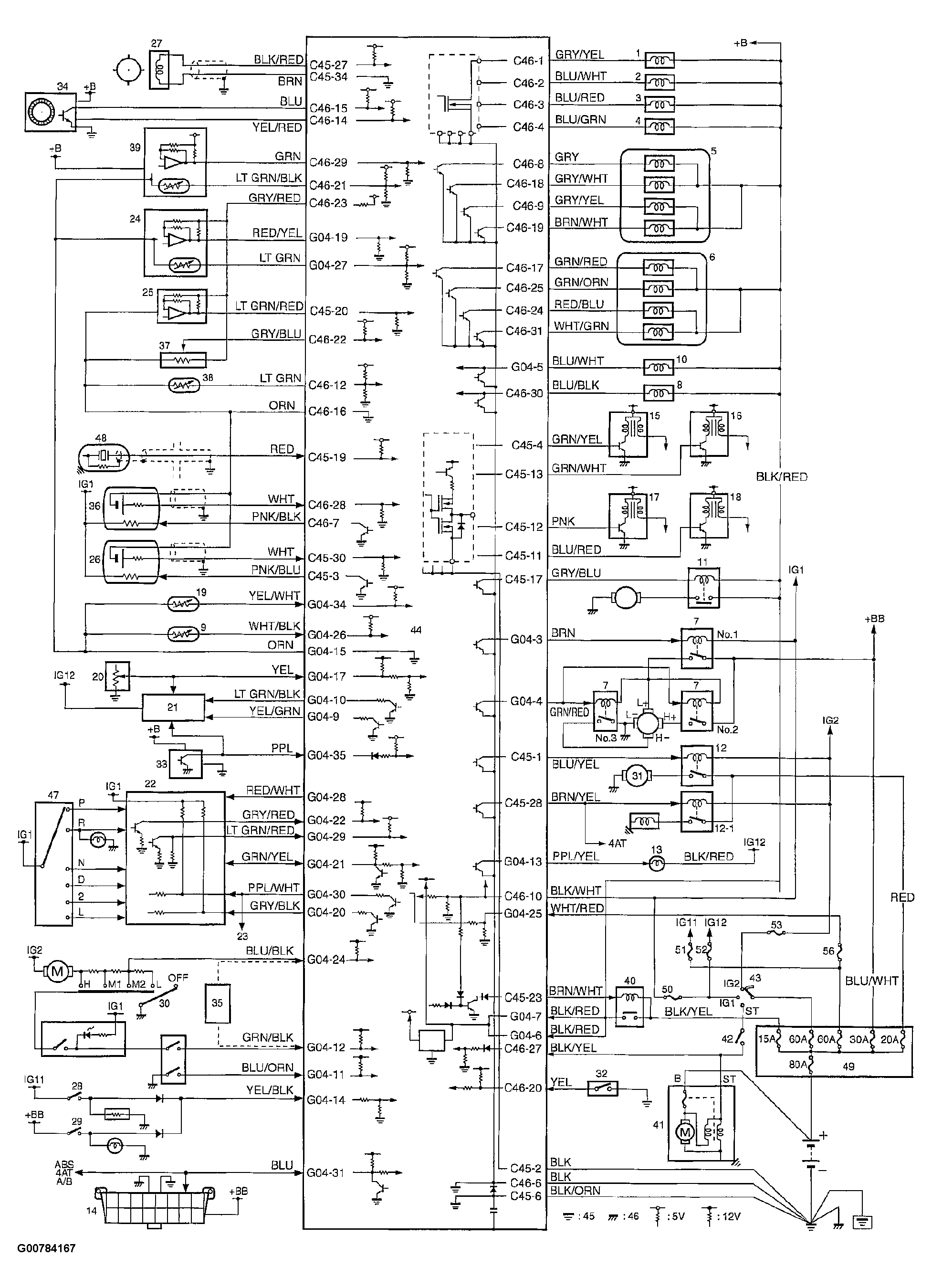
ECM Input/Output Circuit Diagram

Fig 1: ECM Input/Output Circuit Diagram (1 of 2)
G00784167Courtesy of SUZUKI OF AMERICA CORP.
Fig 2: ECM Input/Output Circuit Diagram (2 of 2)
G00784168Courtesy of SUZUKI OF AMERICA CORP.