LEMON Manuals: Even more car manuals for everyone: 1960-2025
Home >> Suzuki >> 2005 >> Aerio LX, AWD >> Repair and Diagnosis >> Engine Performance >> Engine Control Systems >> Engine General Information And Diagnosis >> DTC P0133: O2 Sensor Circuit Slow Response (Sensor-1) >> Wiring Diagram
April 5, 2026: LEMON Manuals is launched! Read the announcement.

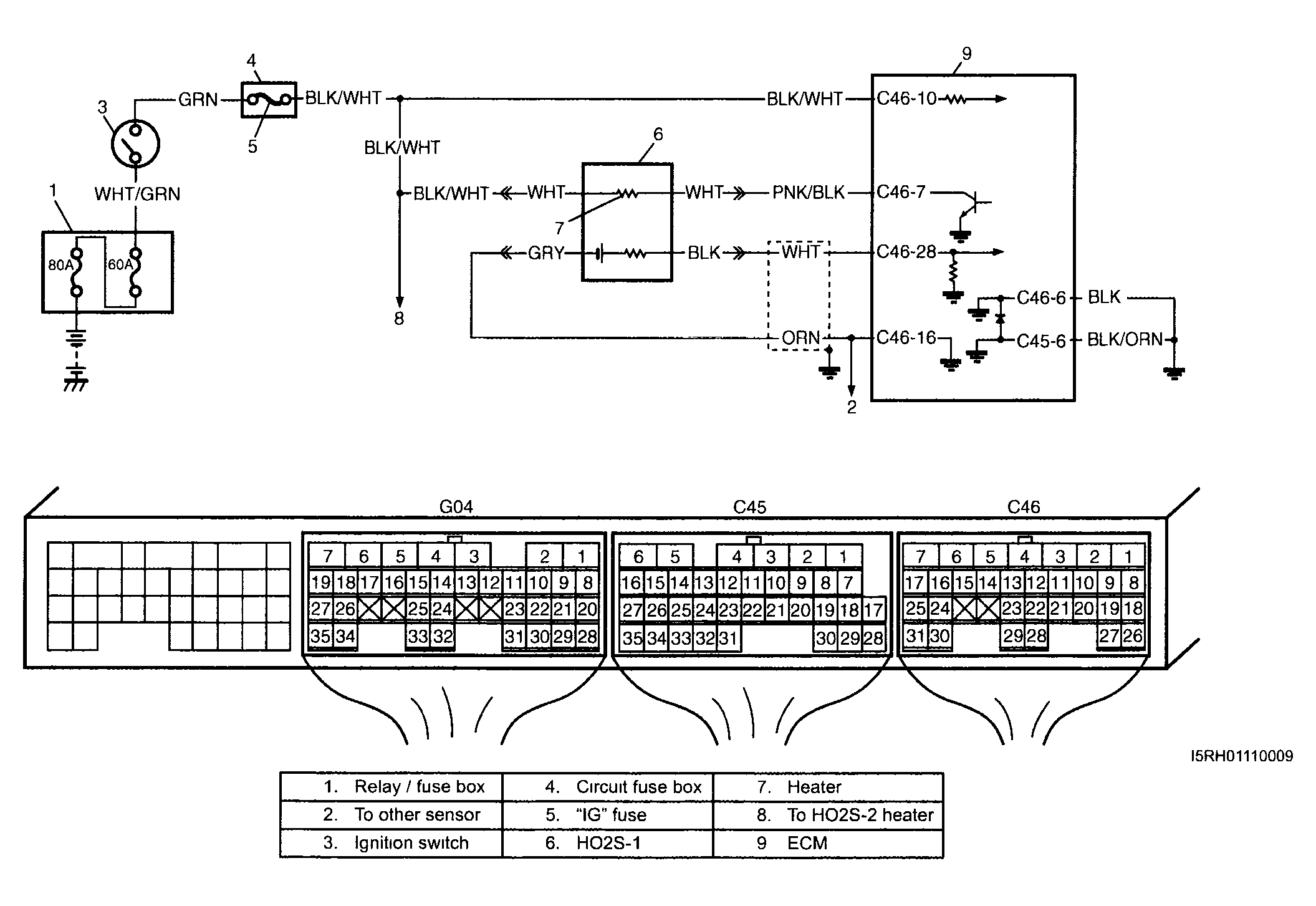
DTC P0133: O2 Sensor Circuit Slow Response (Sensor-1): Wiring Diagram

Fig 1: Slow Circuit Sensor - Wiring Diagram (DTC P0133)
G04013714Courtesy of SUZUKI OF AMERICA CORP.