LEMON Manuals: Even more car manuals for everyone: 1960-2025
Home >> Suzuki >> 2005 >> Aerio LX, AWD >> Repair and Diagnosis >> Engine Performance >> Engine Control Systems >> Engine General Information And Diagnosis >> General Description >> Electronic Control System Description >> ECM Input/Output Circuit Diagram
April 5, 2026: LEMON Manuals is launched! Read the announcement.

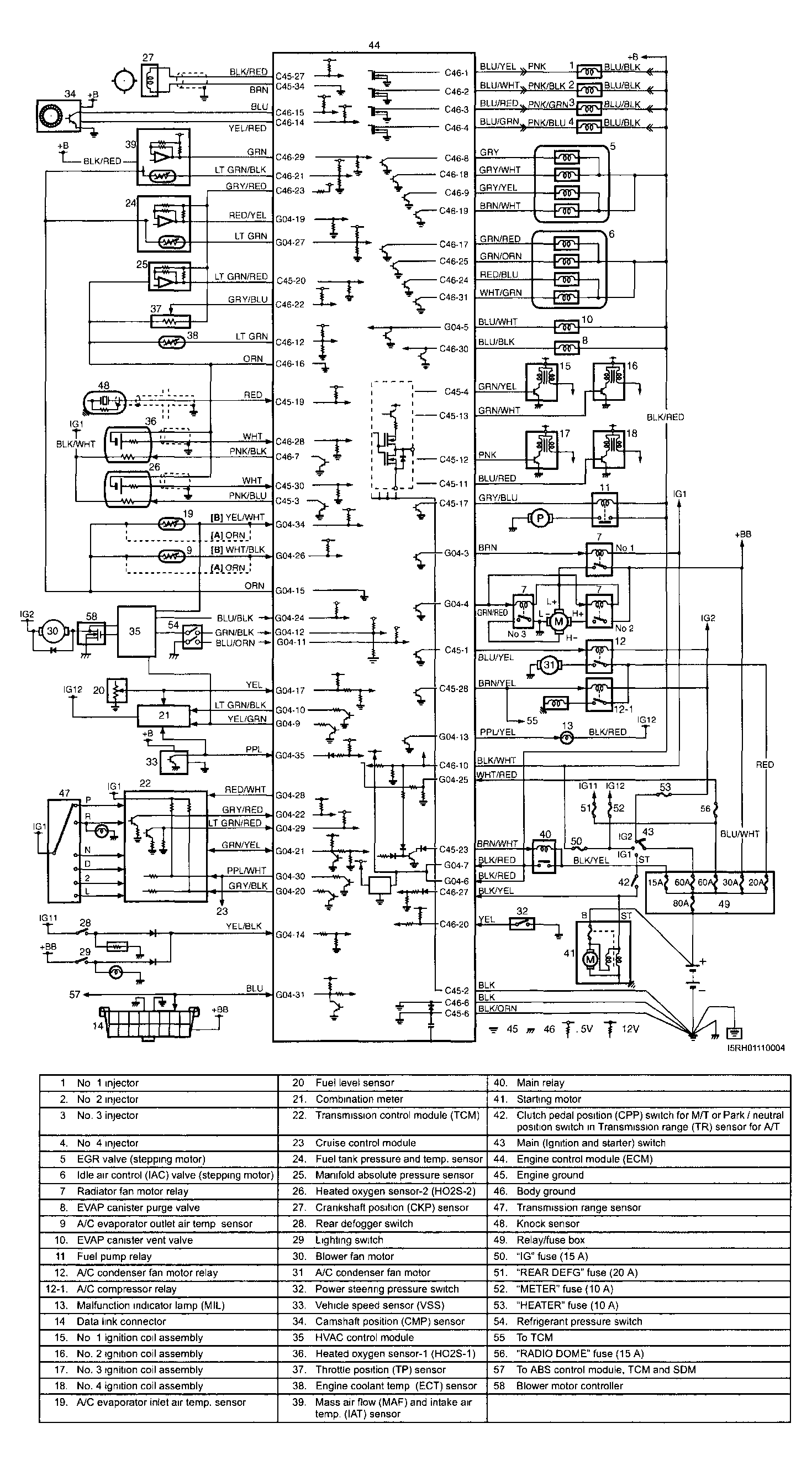
ECM Input/Output Circuit Diagram

Fig 1: ECM Input/Output Circuit Wiring Diagram
G04013667Courtesy of SUZUKI OF AMERICA CORP.