LEMON Manuals: Even more car manuals for everyone: 1960-2025
Home >> Suzuki >> 2005 >> Aerio LX, AWD >> Repair and Diagnosis >> Engine Performance >> Engine Control Systems >> Engine General Information And Diagnosis >> General Description >> Electronic Control System Description >> Engine and Emission Control System Flow Diagram
April 5, 2026: LEMON Manuals is launched! Read the announcement.

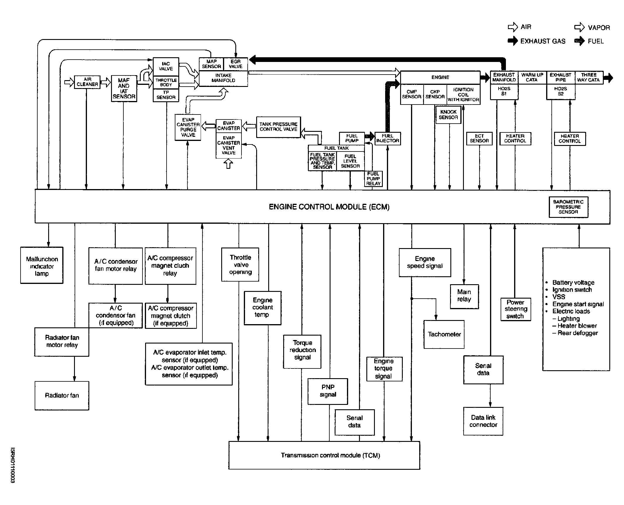
Engine and Emission Control System Flow Diagram

Fig 1: Engine And Emission Control System Flow Diagram
G04013666Courtesy of SUZUKI OF AMERICA CORP.