LEMON Manuals: Even more car manuals for everyone: 1960-2025
Home >> Suzuki >> 2006 >> Verona Base >> Repair and Diagnosis (Single Page) >> Engine Performance >> System >> Engine Control System - DTC P0461 Through U0121 >> DTC P0500: Vehicle Speed Sensor (VSS) Circuit >> Notes
April 5, 2026: LEMON Manuals is launched! Read the announcement.

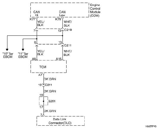
DTC P0500: Vehicle Speed Sensor (VSS) Circuit: Notes

Fig 1: Vehicle Speed Sensor (VSS) Circuit - Wiring Diagram
G04718744Courtesy of SUZUKI OF AMERICA CORP.