LEMON Manuals: Even more car manuals for everyone: 1960-2025
Home >> Suzuki >> 2006 >> Verona Base >> Repair and Diagnosis >> Transmission >> Automatic Transmission >> Schematic and Routing Diagram >> Transaxle Control Module Circuit Wiring Diagram
April 5, 2026: LEMON Manuals is launched! Read the announcement.

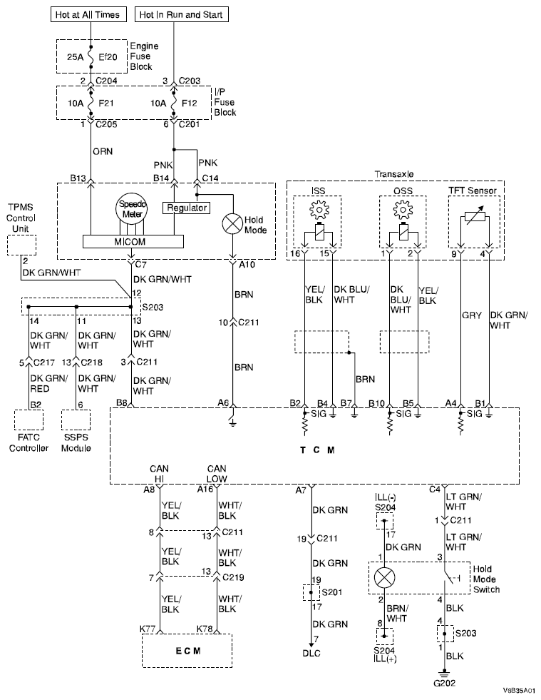
Transaxle Control Module Circuit Wiring Diagram

Fig 1: Wiring Diagram - Transaxle Control Module Circuit (1 Of 2)
G04719611Courtesy of SUZUKI OF AMERICA CORP.
Fig 2: Wiring Diagram - Transaxle Control Module Circuit (2 Of 2)
G04719612Courtesy of SUZUKI OF AMERICA CORP.