LEMON Manuals: Even more car manuals for everyone: 1960-2025
Home >> Suzuki >> 2007 >> Reno Automatic >> Repair and Diagnosis (Single Page) >> Engine Performance >> System >> Engine - Diagnostic Codes (4 Of 4) >> DTC U0073: Control Module Communication Bus OFF >> Notes
April 5, 2026: LEMON Manuals is launched! Read the announcement.

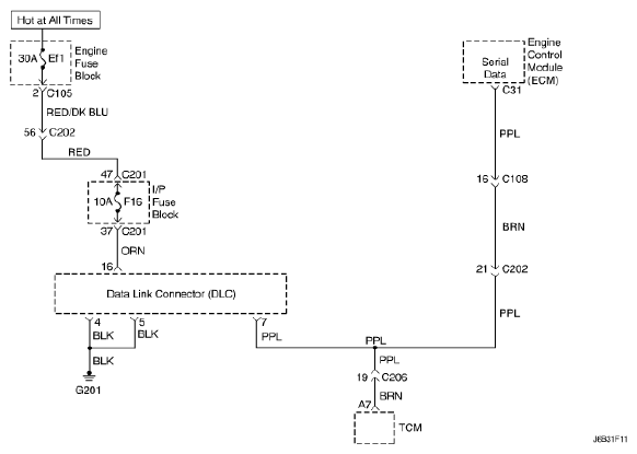
DTC U0073: Control Module Communication Bus OFF: Notes

Fig 1: Engine Control Module - Circuit Diagram
G04817355Courtesy of SUZUKI OF AMERICA CORP.