LEMON Manuals: Even more car manuals for everyone: 1960-2025
Home >> Suzuki >> 2007 >> SX4 2WD L4-2.0L >> Repair and Diagnosis >> Powertrain Management >> Computers and Control Systems >> Testing and Inspection >> Component Tests and General Diagnostics >> A/C System Circuits Check
April 5, 2026: LEMON Manuals is launched! Read the announcement.

A/C System Circuits Check

A/C System Circuits Check

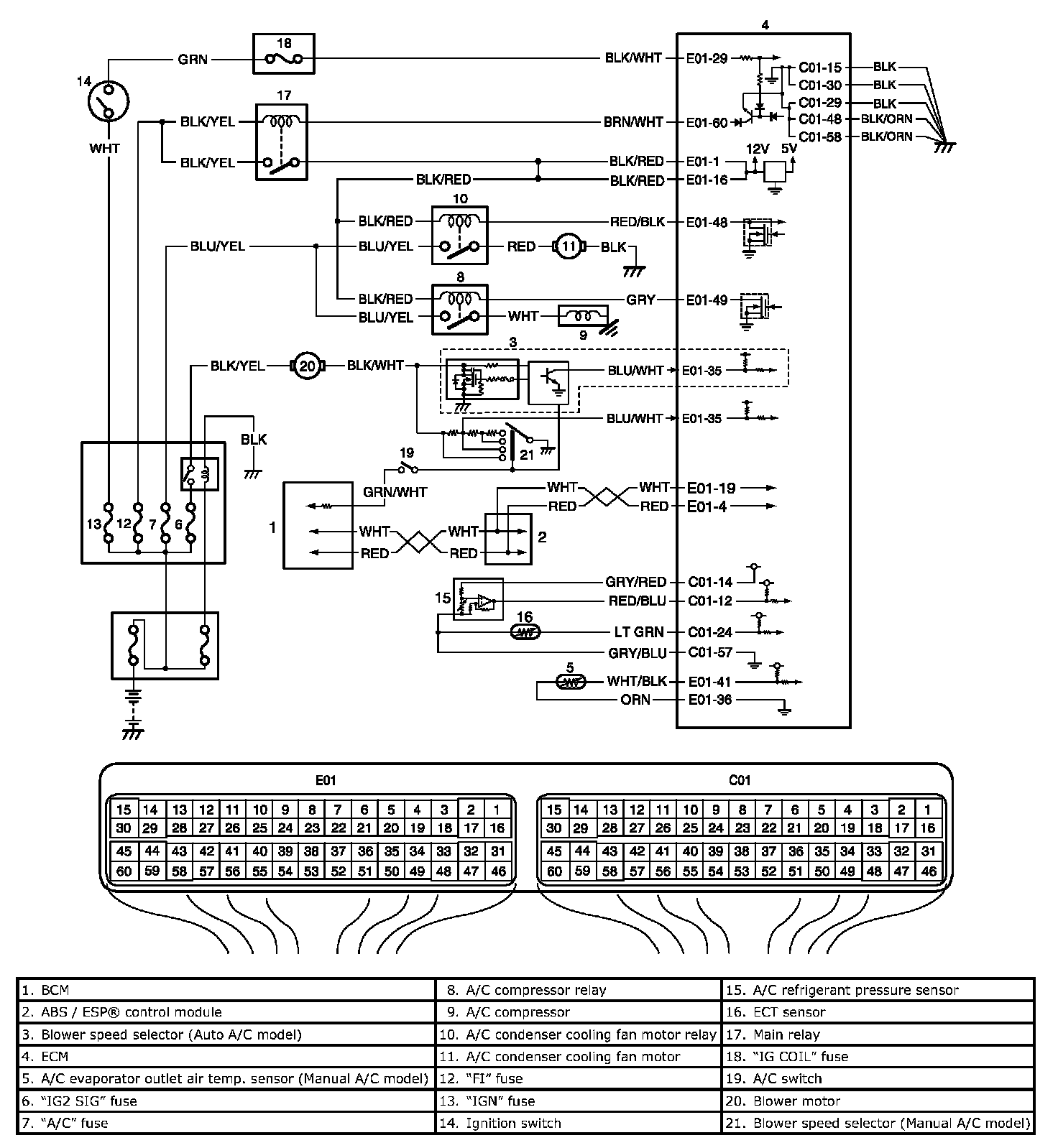
Wiring Diagram

Wiring Diagram:





Troubleshooting

NOTE:
^ Before performed troubleshooting, be sure to read the Precautions of ECM Circuit Inspection.
^ When measuring circuit voltage, resistance and/or pulse signal at ECM connector, connect the special tool to ECM and/or the ECM connectors referring to Inspection of ECM and Its Circuits.
^ When A/C evaporator outlet air temp. is below 2 °C (35.6 °F), A/C remains OFF ("E01-49" terminal voltage becomes 10 - 14 V). This condition is not abnormal.

Step 1-5:




Step 6-11:




Step 12-15: