LEMON Manuals: Even more car manuals for everyone: 1960-2025
Home >> Suzuki >> 2008 >> Reno Automatic >> Repair and Diagnosis >> Engine Performance >> Engine Control Systems >> Engine - Diagnostic Introduction >> Fuel Pump Relay Circuit Check >> Notes
April 5, 2026: LEMON Manuals is launched! Read the announcement.

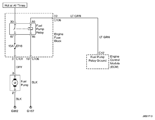
Fuel Pump Relay Circuit Check: Notes

Fig 1: Engine Control Module - Circuit Diagram
G04817365Courtesy of SUZUKI OF AMERICA CORP.