LEMON Manuals: Even more car manuals for everyone: 1960-2025
Home >> Suzuki >> 2008 >> XL7 Base, AWD >> Repair and Diagnosis >> Electrical >> Charging Systems >> Repair Instructions >> Battery Negative Cable Replacement >> Installation Procedure
April 5, 2026: LEMON Manuals is launched! Read the announcement.

Installation Procedure

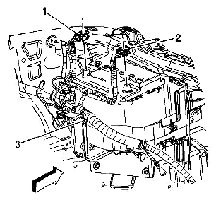
Fig 1: Identifying Negative Battery Cable Ground Terminal
G05465794Courtesy of SUZUKI OF AMERICA CORP.
  1. Install the negative battery cable to the wiring loom and re-tape the loom.
  2. Install the negative battery cable ground terminal (1) to the transaxle stud.
    CAUTION: Refer to FASTENER NOTICE .
  3. Install the negative battery cable ground terminal nut (2) to the transaxle stud.

    Tightening torque 

    Tighten the nut to 45 N.m (33 lb ft). 

    Fig 2: Identifying Negative Battery Cable Ground Terminal Nut
    G05465795Courtesy of SUZUKI OF AMERICA CORP.
  4. Install the negative battery cable ground terminal to the wheelhouse stud.
  5. Install the negative battery cable ground terminal nut to the wheelhouse stud.

    Tightening torque 

    Tighten the nut to 12 N.m (106 lb in). 

    Fig 3: Identifying Battery Current Sensor And Negative Battery Cable Electrical Connector
    G05465796Courtesy of SUZUKI OF AMERICA CORP.
  6. Connect the body wiring harness electrical connector (4) to the battery current sensor (5).
  7. Connect the negative battery cable electrical connector (7) to the body wiring harness electrical connector (2).
    Fig 4: Identifying Positive And Negative Battery Cable Clip
    G05465797Courtesy of SUZUKI OF AMERICA CORP.
  8. Connect the positive and negative battery cable clip (3) to the battery tray support bracket.
  9. Connect the positive and negative battery cable clip to the side of the battery tray support bracket.
  10. Install the battery box. Refer to BATTERY BOX REPLACEMENT .