LEMON Manuals: Even more car manuals for everyone: 1960-2025
Home >> Suzuki >> 2008 >> XL7 Base, FWD >> Repair and Diagnosis >> Engine Performance >> Engine Control Systems >> Engine General Information And Diagnosis >> Schematic and Routing Diagram >> Engine Controls Schematics
April 5, 2026: LEMON Manuals is launched! Read the announcement.

Engine Controls Schematics

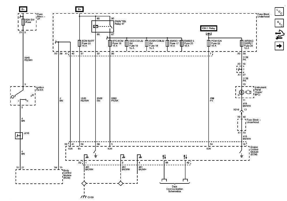
Fig 1: Engine Controls Schematic Diagram (Module Power, Ground, Serial Data, And MIL)
G00563603Courtesy of SUZUKI OF AMERICA CORP.
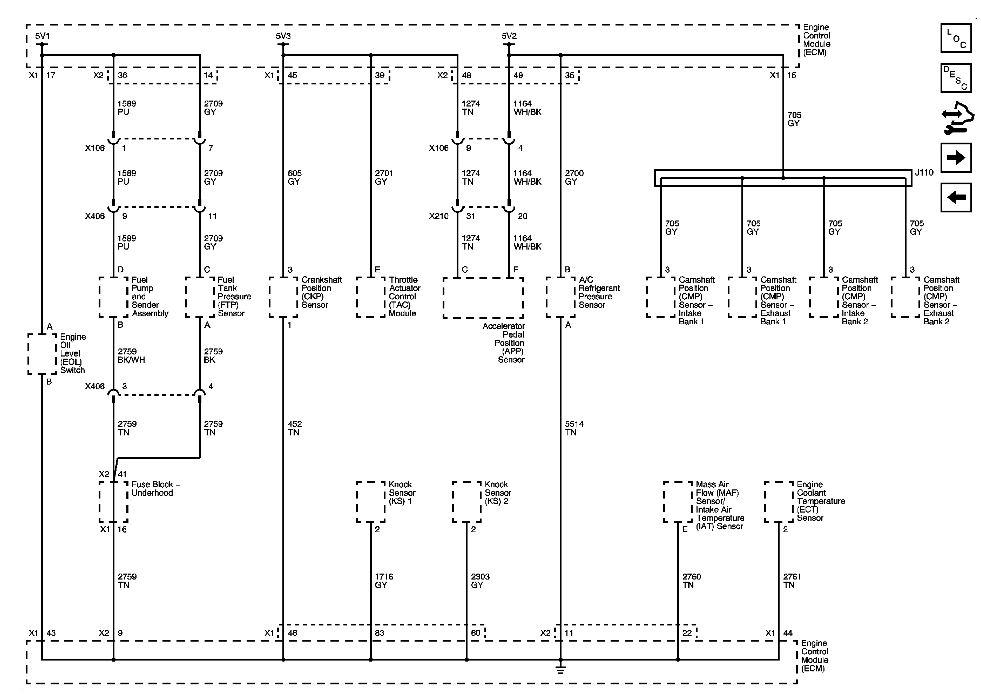
Fig 2: Engine Controls Schematic Diagram (Engine Data Sensors - 5-Volt And Low Reference)
G00563604Courtesy of SUZUKI OF AMERICA CORP.
Fig 3: Engine Controls Schematic Diagram (Engine Data Sensors - Pressure And Temperature)
G00563605Courtesy of SUZUKI OF AMERICA CORP.
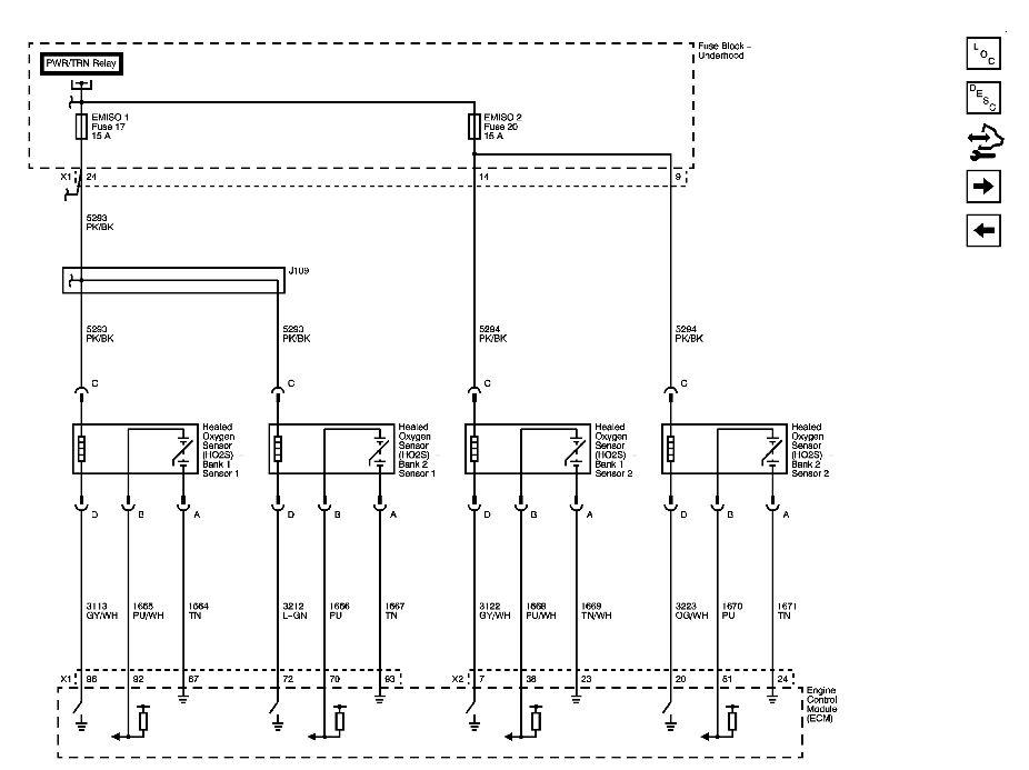
Fig 4: Engine Controls Schematic Diagram (Engine Data Sensors - HO2S)
G00563606Courtesy of SUZUKI OF AMERICA CORP.
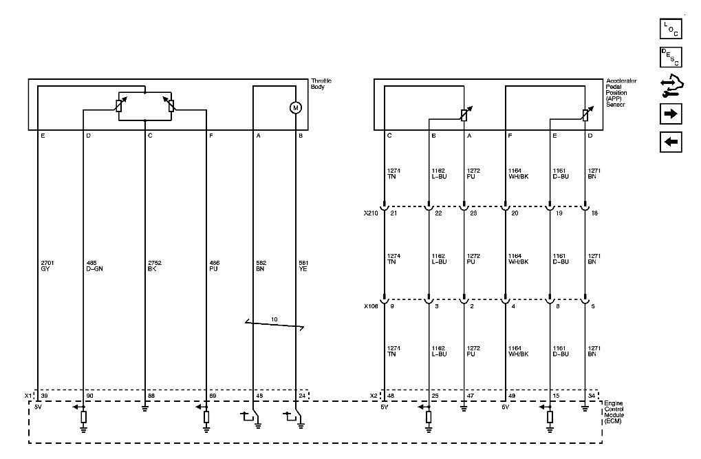
Fig 5: Engine Controls Schematic Diagram (Engine Data Sensors - Electronic Throttle Controls)
G00563607Courtesy of SUZUKI OF AMERICA CORP.
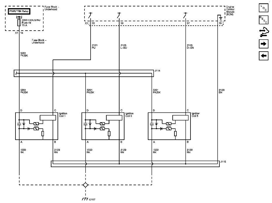
Fig 6: Engine Controls Schematic Diagram (Ignition Controls - Ignition System Coils 1, 3 And 5)
G00563608Courtesy of SUZUKI OF AMERICA CORP.
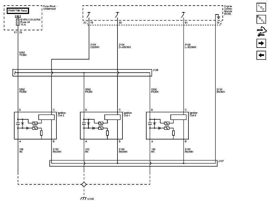
Fig 7: Engine Controls Schematic Diagram (Ignition Controls - Ignition System Coils 2, 4 And 6)
G00563609Courtesy of SUZUKI OF AMERICA CORP.
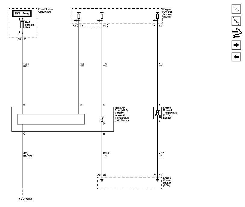
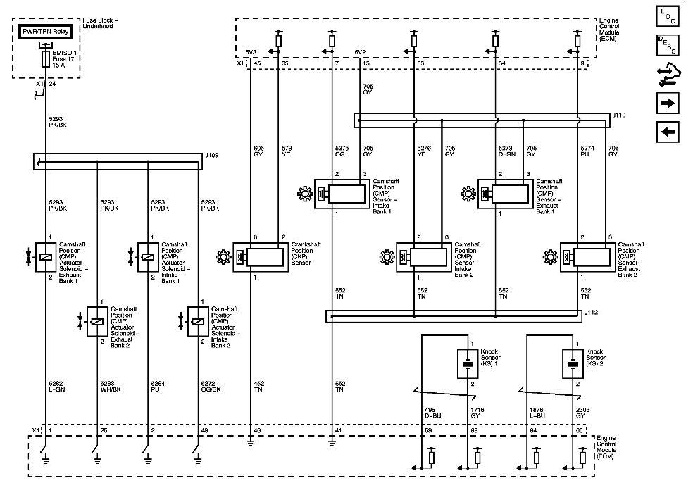
Fig 8: Engine Controls Schematic Diagram (Ignition Controls - Sensors)
G00563610Courtesy of SUZUKI OF AMERICA CORP.
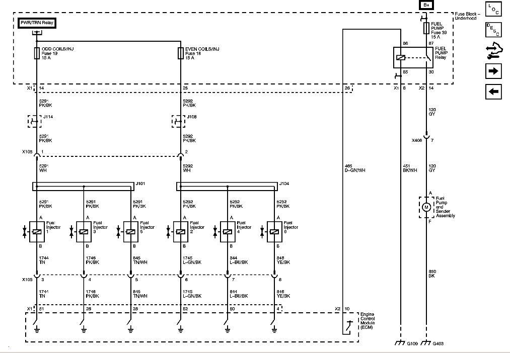
Fig 9: Engine Controls Schematic Diagram (Fuel Controls - Fuel Injectors And Fuel Pump Controls)
G00563611Courtesy of SUZUKI OF AMERICA CORP.
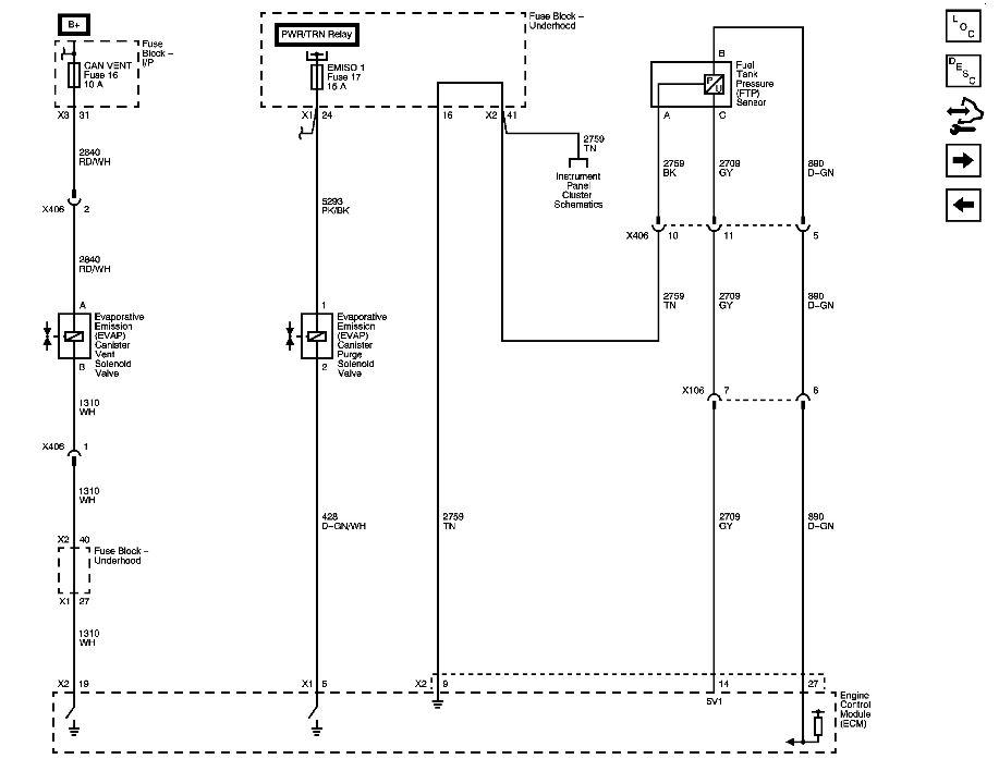
Fig 10: Engine Controls Schematic Diagram (Fuel Controls - EVAP Controls)
G00563612Courtesy of SUZUKI OF AMERICA CORP.
Fig 11: Engine Controls Schematic Diagram (Controlled/Monitored Subsystem References)
G00563613Courtesy of SUZUKI OF AMERICA CORP.