LEMON Manuals: Even more car manuals for everyone: 1960-2025
Home >> Suzuki >> 2009 >> Equator RMZ-4 >> Repair and Diagnosis >> Transmission >> Automatic Transmission/Transaxle >> Diagnostic information and Procedures >> A/T Shift Lock System Circuit Check
April 5, 2026: LEMON Manuals is launched! Read the announcement.

A/T Shift Lock System Circuit Check

DIAGNOSTIC PROCEDURE

Step Action YES NO
CHECK KEY INTERLOCK CABLE 
Check key interlock cable for damage.
Is the inspection result normal? 
GO TO 2. Repair key interlock cable. Refer to [KEY INTERLOCK CABLE: REMOVAL AND INSTALLATION ].
CHECK SELECTOR LEVER POSITION 
Check selector lever position for damage. Refer to [SHIFT CONTROL SYSTEM: INSPECTION AND ADJUSTMENT ].
Is the inspection result normal? 
GO TO 3. Check selector lever. Refer to [SHIFT CONTROL SYSTEM: INSPECTION AND ADJUSTMENT ].
CHECK INPUT SIGNAL 
  1. Turn ignition switch ON.
G06442831Courtesy of SUZUKI OF AMERICA CORP.

  1. 2. Check voltage between A/T device connector M156 terminal 1 and ground.

    Brake pedal depressed: Battery voltage 

    Brake pedal released: 0V 


Is the inspection result normal? 
GO TO 5. GO TO 4.
CHECK STOP LAMP SWITCH 
  1. Turn ignition switch OFF.
G06442832Courtesy of SUZUKI OF AMERICA CORP.

  1. 2. Disconnect stop lamp switch connector.
  2. 3. Check continuity between stop lamp switch terminals 3 and 4.

    Brake pedal depressed: Continuity should exist 

    Brake pedal released: Continuity should not exist 


Is the inspection result normal? 
GO TO 5. Repair or replace damaged parts.
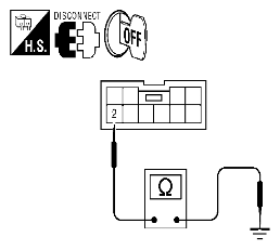
CHECK GROUND CIRCUIT 
  1. Turn ignition switch OFF.
G06442833Courtesy of SUZUKI OF AMERICA CORP.

  1. 2. Disconnect A/T device connector.
  2. 3. Check continuity between A/T device connector M156 terminal 2 and ground.

    Continuity should exist. 


Is the inspection result normal? 
GO TO 6. Repair harness or connectors.
CHECK PARK POSITION SWITCH AND SHIFT LOCK SOLENOID 
Check continuity between A/T device terminals 1 and 2.
Selector lever in "P" position: Continuity should exist 
Except above: Continuity should not exist 
Is the inspection result normal? 
Inspection End Replace A/T device. Refer to [SHIFT CONTROL SYSTEM: REMOVAL AND INSTALLATION ].