LEMON Manuals: Even more car manuals for everyone: 1960-2025
Home >> Suzuki >> 2011 >> Equator Base >> Repair and Diagnosis >> External Pages >> Different car >> Section 4 (Wiring Systems) >> Schematic And Routing Diagram >> Power Moding Schematics
April 5, 2026: LEMON Manuals is launched! Read the announcement.

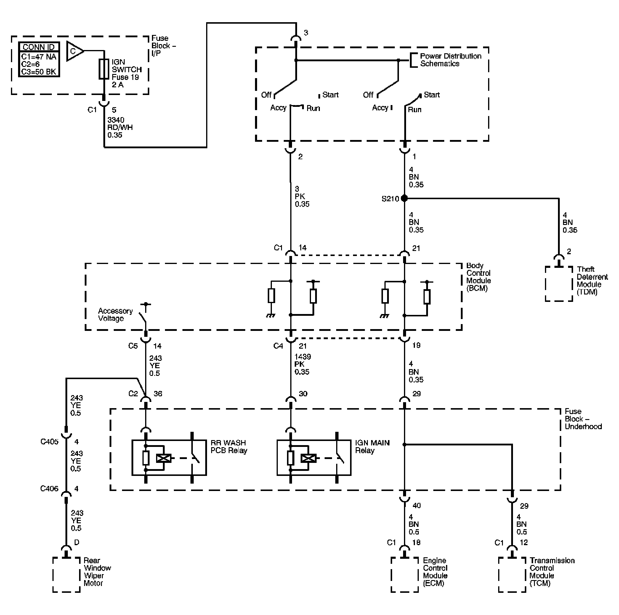
Power Moding Schematics

WARNING: This page is about a different car, the 2007 Suzuki XL7. However, it is still accessible from the selected car via links, so may be relevant.
Fig 1: Power Moding Schematic
GM1843660Courtesy of GENERAL MOTORS CORP.