LEMON Manuals: Even more car manuals for everyone: 1960-2025
Home >> Suzuki >> 2011 >> Grand Vitara Base >> Repair and Diagnosis >> Engine Performance >> System >> Engine Control System Diagnosis >> Schematic and Routing Diagram >> Engine Control System Circuit Diagram >> Notes
April 5, 2026: LEMON Manuals is launched! Read the announcement.

Engine Control System Circuit Diagram: Notes

NOTE: For identification of each cylinder, refer to PRECAUTIONS FOR IDENTIFICATION OF CYLINDER:J24B .
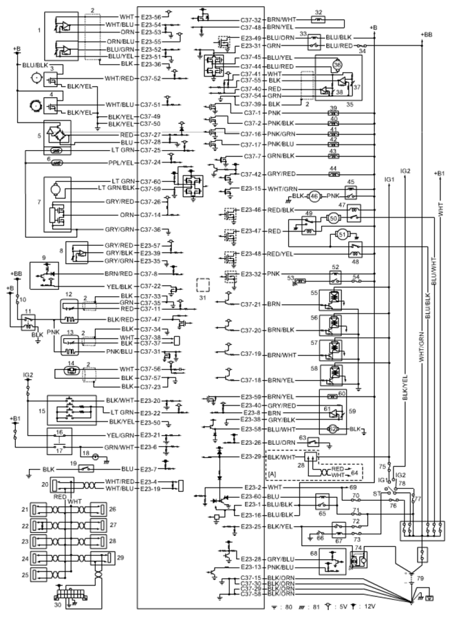
Fig 1: Engine Control System Circuit Diagram
G06492341Courtesy of SUZUKI OF AMERICA CORP.
Fig 2: Engine Control System Circuit Diagram Legends
G06492342Courtesy of SUZUKI OF AMERICA CORP.