LEMON Manuals: Even more car manuals for everyone: 1960-2025
Home >> Suzuki >> 2012 >> Equator 2WD L4-2.5L >> Repair and Diagnosis >> Diagrams >> Electrical Diagrams >> Powertrain Management >> Body Control Module
April 5, 2026: LEMON Manuals is launched! Read the announcement.

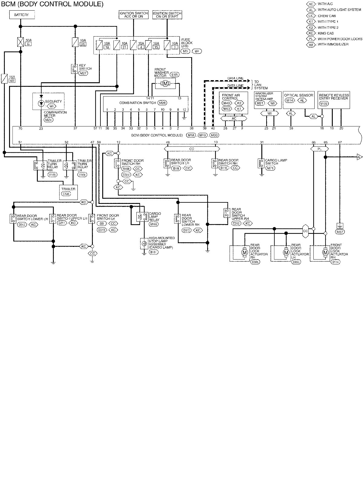
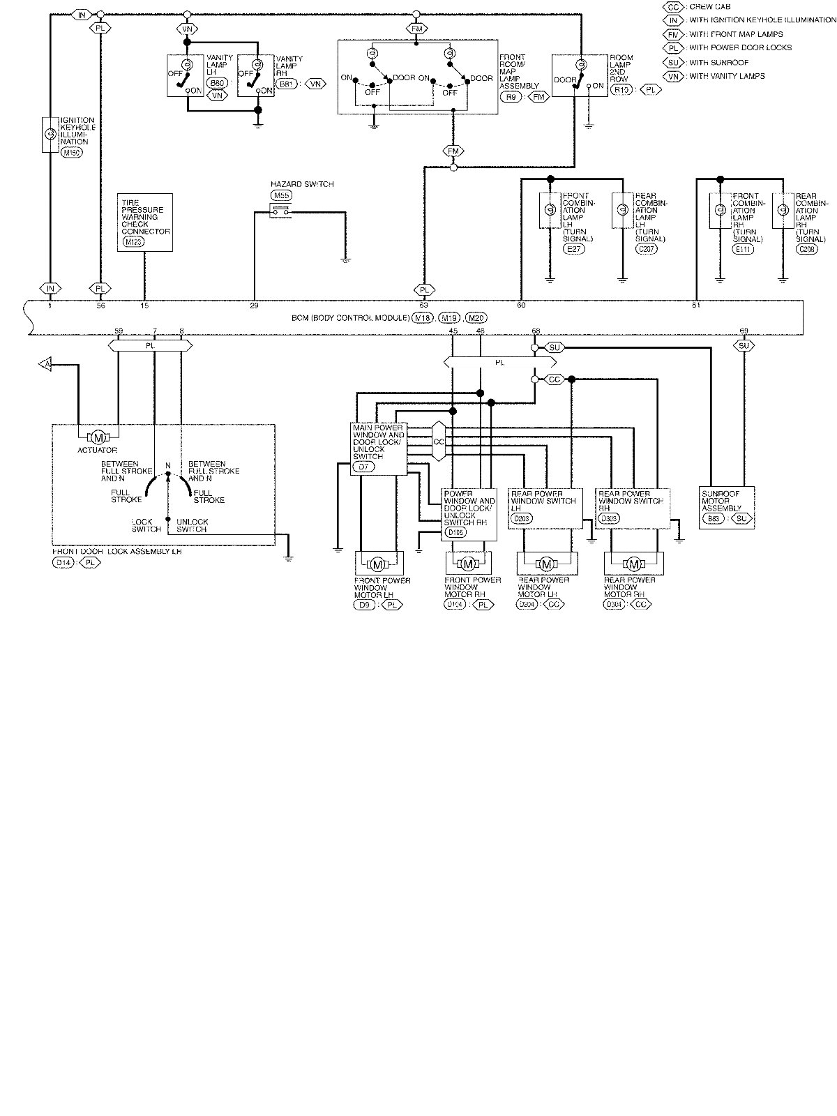
Body Control Module




BCM: Wiring Diagram