LEMON Manuals: Even more car manuals for everyone: 1960-2025
Home >> Suzuki >> 2012 >> Equator 2WD L4-2.5L >> Repair and Diagnosis >> Diagrams >> Exploded Views >> Automatic Transmission/Transaxle
April 5, 2026: LEMON Manuals is launched! Read the announcement.

Automatic Transmission/Transaxle




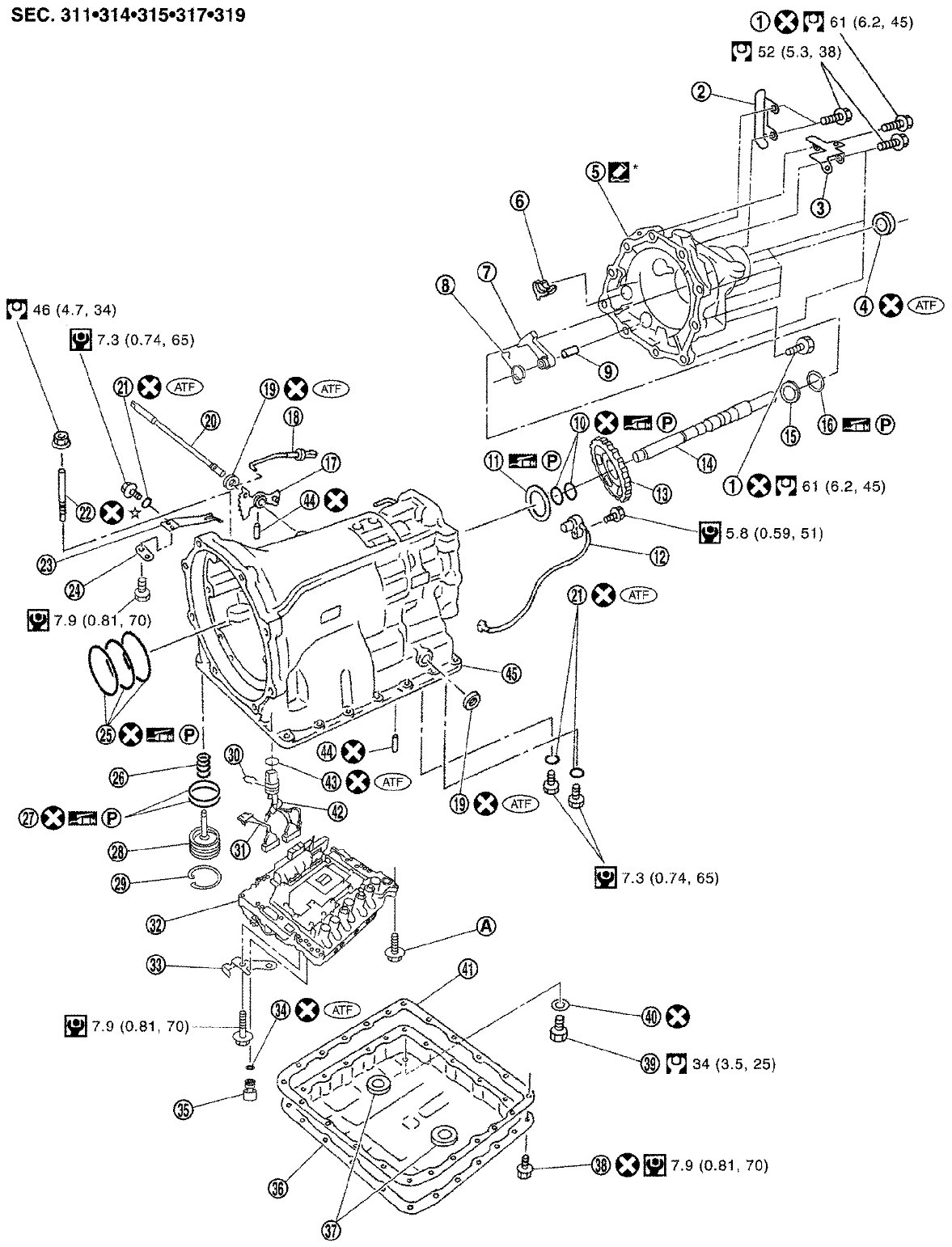
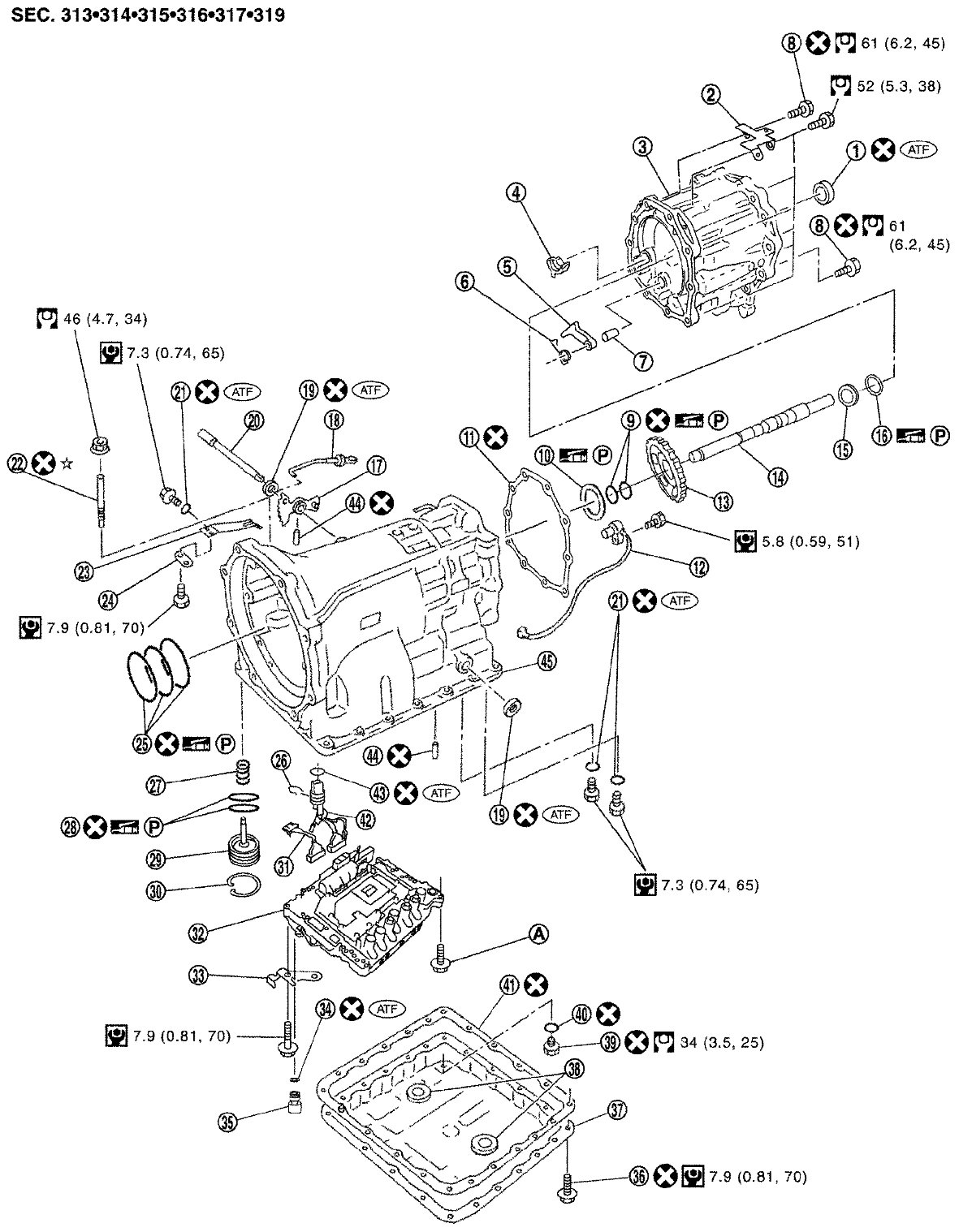
Transmission Assembly: Exploded View





















2WD Models











4WD Models