LEMON Manuals: Even more car manuals for everyone: 1960-2025
Home >> Suzuki >> 2012 >> Equator 2WD L4-2.5L >> Repair and Diagnosis >> Powertrain Management >> Computers and Control Systems >> Description and Operation >> Engine Control System Diagram
April 5, 2026: LEMON Manuals is launched! Read the announcement.

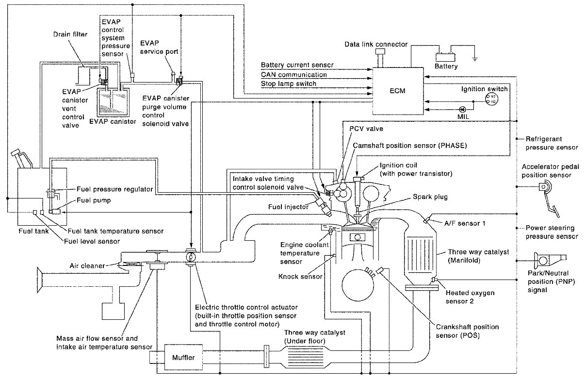
Engine Control System Diagram




Engine Control System: System Diagram