LEMON Manuals: Even more car manuals for everyone: 1960-2025
Home >> Suzuki >> 2012 >> SX4 2WD L4-2.0L >> Repair and Diagnosis >> Relays and Modules >> Relays and Modules - Brakes and Traction Control >> Electronic Brake Control Module >> Testing and Inspection >> ABS >> ABS Hydraulic Unit / Control Module Assembly Power Supply and Ground Circuit Check
April 5, 2026: LEMON Manuals is launched! Read the announcement.

ABS Hydraulic Unit / Control Module Assembly Power Supply and Ground Circuit Check




ABS Hydraulic Unit / Control Module Assembly Power Supply and Ground Circuit Check

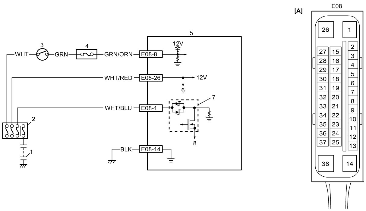
Wiring Diagram










Circuit Description

When the ignition switch is turned ON, power supply is supplied to ABS control module. And, power supply is supplied to pump motor and solenoid valve in other line by the switching function in ABS control module.

Troubleshooting

1. Check fuse

Are main fuses and circuit fuses for ABS in good condition?
YES -
Go to Step 2.
NO -
Replace fuse and check for short circuit to ground.

2. Check ABS control module power supply circuit

Turn ignition switch to OFF position.
Disconnect ABS control module connector.
Check for proper connection to ABS control module connector at terminals "E08-8", "E08-14", "E08-1", and "E08-26".
If OK, then turn ignition switch to ON position and measure voltage between terminal "E08-8" and vehicle body ground.

Is it 10 - 14 V?
YES -
Go to Step 3.
NO -
"GRN/ORN" circuit open.

3. Check pump motor and solenoid valve power supply circuit

Turn ignition switch to OFF position.
Measure voltage between each terminals of "E08-1", "E08-26" and vehicle body ground.

Are they 10 - 14 V?
YES -
Go to Step 4.
NO -
"WHT/BLU" and/or "WHT/RED" circuit open.

4. Check ABS hydraulic unit / control module assembly ground circuit

Measure resistance between terminal "E08-14" and vehicle body ground.

Is resistance less than 2 ohms?
YES -
ABS hydraulic unit / control module assembly power supply and ground circuits are in good condition.
NO -
"BLK" circuit open or high resistance.