LEMON Manuals: Even more car manuals for everyone: 1960-2025
Home >> Toyota >> 1988 >> Celica All-Trac >> Repair and Diagnosis >> Engine Performance >> System >> Computer Control System >> Operation >> Data Sensors >> Notes
April 5, 2026: LEMON Manuals is launched! Read the announcement.

Data Sensors: Notes

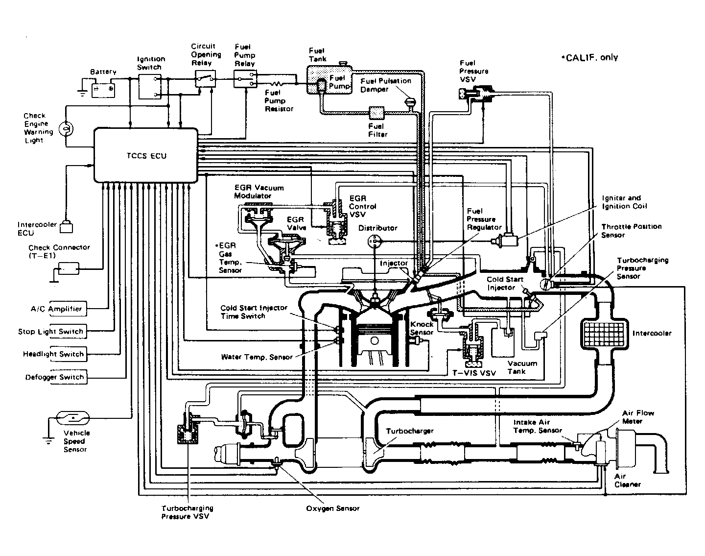
NOTE: The following data sensors are not necessarily used on every model. Note engine application. See TOYOTA ENGINE  CODE IDENTIFICATION chart and appropriate computer control system schematic. See Figure through Figure .