LEMON Manuals: Even more car manuals for everyone: 1960-2025
Home >> Toyota >> 2001 >> RAV4 Base, AWD, Automatic >> Repair and Diagnosis >> Body & Frame >> Body, Cab Control Systems >> Body Control Systems >> Component Tests >> Power Relay
April 5, 2026: LEMON Manuals is launched! Read the announcement.

Power Relay

  1. Ensure ignition is off. Remove power relay. Power relay is located in fuse/relay box at driver's side of instrument panel. See Figure and Figure .
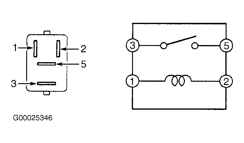
  2. Note identification of electrical terminals on power relay. See Figure. Using ohmmeter, check that no continuity exists between terminals No. 3 and 5 on power relay. Check that continuity exists between terminals No. 1 and 2 on power relay.
  3. Using jumper wires, apply battery voltage and ground to terminals No. 1 and 2 on power relay. Check that continuity now exists between terminals No. 3 and 5 on power relay. See Figure. Replace power relay if defective.