LEMON Manuals: Even more car manuals for everyone: 1960-2025
Home >> Toyota >> 2003 >> Matrix Base, 4WD >> Repair and Diagnosis >> External Pages >> Different car >> Section 124 (Wiper/Washer Systems) >> System Tests >> Test A: Rain Drop Sensing Function Does Not Operate
April 5, 2026: LEMON Manuals is launched! Read the announcement.

Test A: Rain Drop Sensing Function Does Not Operate

WARNING: This page is about a different car, the 2003 Lexus ES 300 and 2002 Lexus ES 300. However, it is still accessible from the selected car via links, so may be relevant.
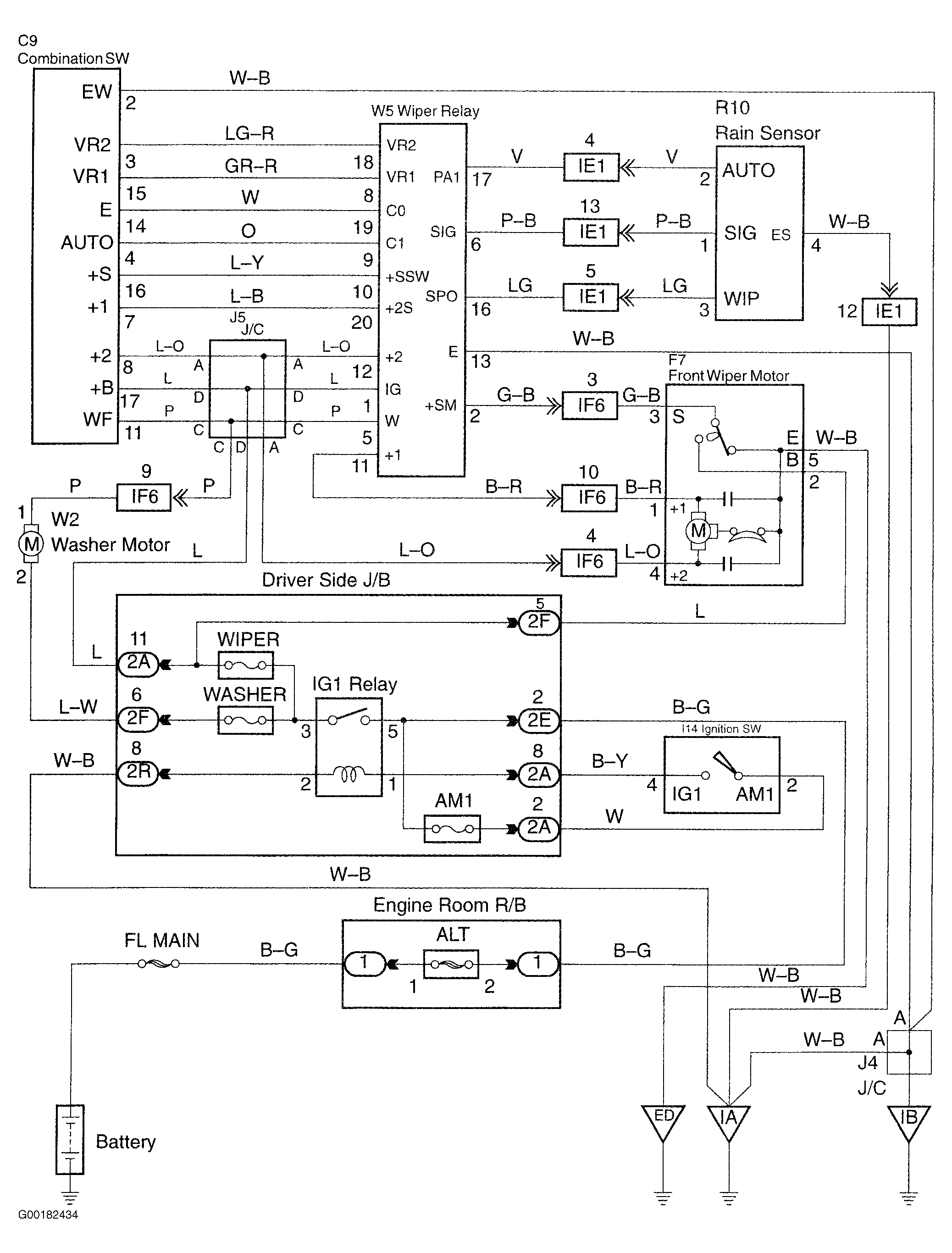
NOTE: For circuit diagram, see Fig 1.
  1. Check the continuity between the windshield wiper switch assembly terminals. See INSPECTING WIPER SWITCH CONTINUITY  table. If continuity is as specified, go to the next step. If continuity is not as specified, replace the windshield wiper switch assembly. See WINDSHIELD WIPER SWITCH ASSEMBLY  under REMOVAL & INSTALLATION.
    INSPECTING WIPER SWITCH CONTINUITY

    Switch Operation Tester Connection Specified Condition
    OFF 4 (AUTO) - 14 (E) No Continuity
    AUTO 4 (AUTO) - 14 (E) Continuity
  2. Check the continuity between terminals of the windshield wiper switch and windshield wiper relay assembly. See INSPECTING WIPER SWITCH & WIPER RELAY CONTINUITY  table. If continuity is as specified, go to the next step. If continuity is not as specified, repair or replace the harness and connector as necessary.
    INSPECTING WIPER SWITCH & WIPER RELAY CONTINUITY

    Item Tester Connection Specified Condition
    Wiper Switch Assembly - Wiper Relay 15 (VR1) - 8 (VR1) Continuity
    Wiper Switch Assembly - Wiper Relay 3 (VR2) - 18 (VR2) Continuity
    Wiper Switch Assembly - Wiper Relay 14 (E) - 19 (CO) Continuity
    Wiper Switch Assembly - Wiper Relay 4 (AUTO) - 9 (C1) Continuity
  3. Check the continuity between terminals of the windshield wiper relay and the rain sensor. See INSPECTING WIPER RELAY & RAIN SENSOR CONTINUITY  table. If continuity is as specified, go to the next step. If continuity is not as specified, repair or replace the harness and connector as necessary.
    INSPECTING WIPER RELAY & RAIN SENSOR CONTINUITY

    Item Tester Connection Specified Condition
    Wiper Relay - Rain Sensor 16 (SPD) - 3 (WIP) Continuity
    Wiper Relay - Rain Sensor 6 (SIG) - 1 (SIG) Continuity
    Wiper Relay - Rain Sensor 17 (PA1) - 2 (AUTO) Continuity
  4. Disconnect the rain sensor. Measure the voltage between terminal No. 1 (SIG) and body ground. If the voltage is 8 volts, go to the next step. If the voltage is not 8 volts, replace the windshield wiper relay assembly.
  5. Check the continuity between rain sensor terminal No. 4 (ES) and body ground. If continuity exists, go to the next step. If continuity does not exist, repair or replace the harness and connector as necessary.
  6. Using a oscilloscope, check that the signal waveform appears between terminal No. 3 (WIP) and body ground. See Fig 2. If waveform is as shown in illustration, go to the next step. If waveform is not as shown in illustration, replace the windshield wiper relay assembly.
  7. Check the voltage between rain sensor terminal No. 2 (AUTO) and body ground follows the standard value as shown. See INSPECTING RAIN SENSOR VOLTAGE  table. If the voltage is as specified, replace the windshield wiper relay assembly. If the voltage is not as specified, replace the rain sensor. See RAIN SENSOR  under REMOVAL & INSTALLATION.
    INSPECTING RAIN SENSOR VOLTAGE

    Rain Drop Amount Volts
    Nothing 6.8
    A Little (Wiper Switch In LO) 4.1
    A Lot (Wiper Switch In HI) 1.3
Fig 1: Identifying Wiper/Washer System Circuit
G00182434Courtesy of © TOYOTA, LICENSE AGREEMENT TMS1002
Fig 2: Inspecting Rain Sensor Signal Waveform
G00182435Courtesy of © TOYOTA, LICENSE AGREEMENT TMS1002