LEMON Manuals: Even more car manuals for everyone: 1960-2025
Home >> Toyota >> 2003 >> Matrix Base, FWD, Automatic >> Repair and Diagnosis >> Engine Performance >> System >> Engine Controls - System & Component Testing - 4-Cylinder >> Computerized Engine Controls >> Starter Motor Signal Circuit >> Echo
April 5, 2026: LEMON Manuals is launched! Read the announcement.

Starter Motor Signal Circuit: Echo

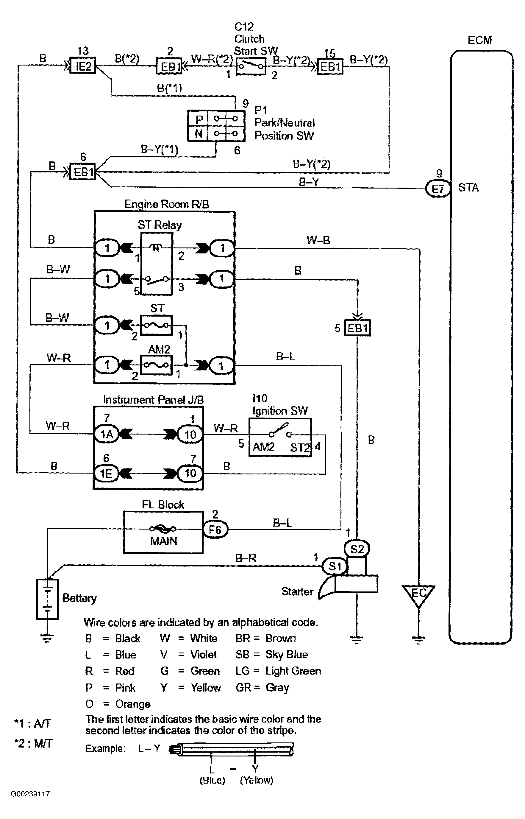
For starter signal circuit inspection and wiring diagram, see Fig 1-Fig 5 . Before replacing ECM, check ECM connectors and ground circuits. See ENGINE CONTROL MODULE POWER & GROUND CIRCUITS .

Fig 1: Starter Motor Signal Wiring Diagram (ECHO)
G00239117Courtesy of © TOYOTA, LICENSE AGREEMENT TMS1002
Fig 2: Starter Motor Signal Circuit Inspection Using Toyota Hand-Held Tester - Steps 1-3 (ECHO)
G00239118Courtesy of © TOYOTA, LICENSE AGREEMENT TMS1002
Fig 3: Starter Motor Signal Circuit Inspection Using Toyota Hand-Held Tester - Step 4 (ECHO)
G00239119Courtesy of © TOYOTA, LICENSE AGREEMENT TMS1002
Fig 4: Starter Motor Signal Circuit Inspection Using OBD II Scan Tool - Steps 1-4 (ECHO)
G00239120Courtesy of © TOYOTA, LICENSE AGREEMENT TMS1002
Fig 5: Locating Data Link Connector No. 3 (ECHO)
G99E52823Courtesy of © TOYOTA, LICENSE AGREEMENT TMS1002