LEMON Manuals: Even more car manuals for everyone: 1960-2025
Home >> Toyota >> 2003 >> Sienna LE >> Repair and Diagnosis >> Engine Performance >> System >> Engine Controls - System & Component Testing - V6 & V8 >> Computerized Engine Controls >> Fuel Pump Control Circuit >> Land Cruiser
April 5, 2026: LEMON Manuals is launched! Read the announcement.

Land Cruiser

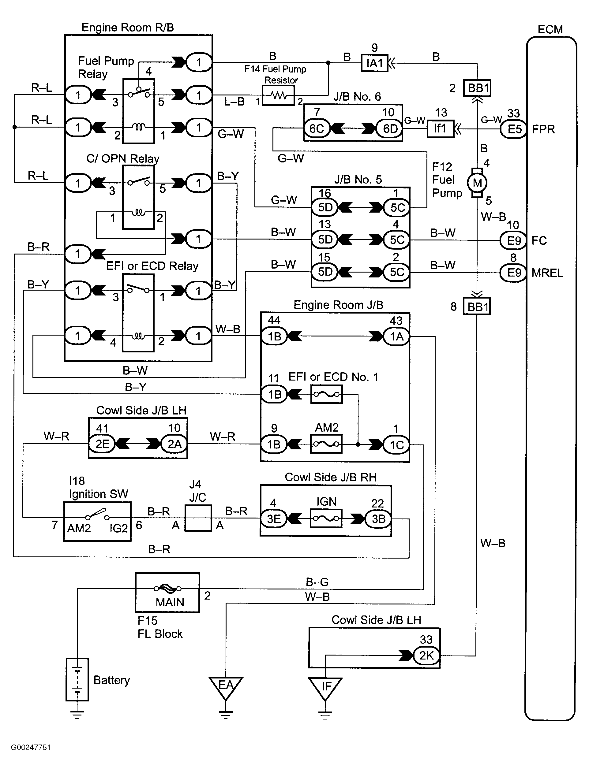
For fuel pump control circuit inspection and wiring diagram, see Fig 1-Fig 7 . To check fuel pump relay, see FUEL PUMP RELAY  under MODULES, MOTORS, RELAYS & SOLENOIDS. To check fuel pump operation, see FUEL DELIVERY  under FUEL SYSTEMS. To check circuit opening relay, see CIRCUIT OPENING RELAY  under MODULES, MOTORS, RELAYS & SOLENOIDS. For circuit identification, see ENGINE PERFORMANCE in appropriate SYSTEM WIRING DIAGRAMS article in ELECTRICAL. To check fuel pump resistor operation, see FUEL DELIVERY  under FUEL SYSTEMS.

Fig 1: Fuel Pump Control Circuit Description & Diagram (Land Cruiser)
G00247745Courtesy of © TOYOTA, LICENSE AGREEMENT TMS1002
Fig 2: Fuel Pump Control Circuit Inspection Using Hand-Held Tester - Steps 1-3 (Land Cruiser)
G00247746Courtesy of © TOYOTA, LICENSE AGREEMENT TMS1002
Fig 3: Fuel Pump Control Circuit Inspection Using Hand-Held Tester - Steps 4-7 (Land Cruiser)
G00247747Courtesy of © TOYOTA, LICENSE AGREEMENT TMS1002
Fig 4: Fuel Pump Control Circuit Inspection Using Hand-Held Tester - Step 8; Using OBD II Scan Tool - Steps 1-3 (Land Cruiser)
G00247748Courtesy of © TOYOTA, LICENSE AGREEMENT TMS1002
Fig 5: Fuel Pump Control Circuit Inspection Using OBD II Scan Tool - Steps 4-6 (Land Cruiser)
G00247749Courtesy of © TOYOTA, LICENSE AGREEMENT TMS1002
Fig 6: Fuel Pump Control Circuit Inspection Using OBD II Scan Tool - Step 7 (Land Cruiser)
G00247750Courtesy of © TOYOTA, LICENSE AGREEMENT TMS1002
Fig 7: Fuel Pump Control Wiring Diagram (Land Cruiser)
G00247751Courtesy of © TOYOTA, LICENSE AGREEMENT TMS1002