LEMON Manuals: Even more car manuals for everyone: 1960-2025
Home >> Toyota >> 2003 >> Tundra Base, Standard >> Repair and Diagnosis >> Engine Performance >> System >> Engine Controls - System & Component Testing - V6 & V8 >> Computerized Engine Controls >> Cranking Hold Function Circuit >> Land Cruiser
April 5, 2026: LEMON Manuals is launched! Read the announcement.

Land Cruiser

NOTE: Cranking Hold Function Circuit may be referred to as starter signal circuit.

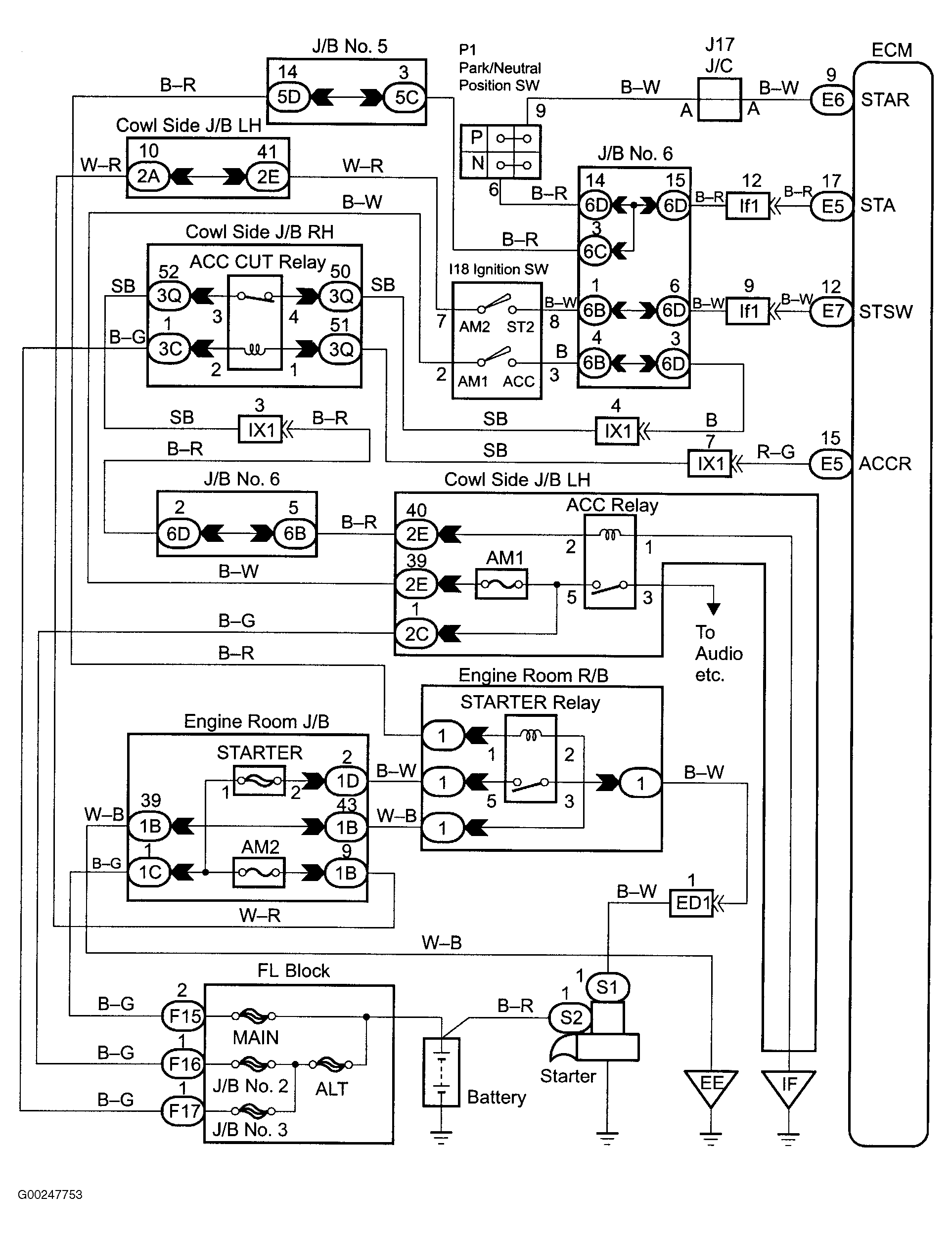
For cranking hold function circuit inspection and wiring diagram, see Fig 1-Fig 11 . For circuit identification, see ENGINE PERFORMANCE in appropriate SYSTEM WIRING DIAGRAMS article in ELECTRICAL. To check for intermittent problems, see INTERMITTENTS in TROUBLE SHOOTING - NO CODES article. Before replacing ECM, check ECM connectors and ground circuits. See ENGINE CONTROL MODULE POWER & GROUND CIRCUITS  under COMPUTERIZED ENGINE CONTROLS.

Fig 1: Cranking Hold Function Circuit Description & Diagram (Land Cruiser)
G00247752Courtesy of © TOYOTA, LICENSE AGREEMENT TMS1002
Fig 2: Cranking Hold Function Wiring Diagram (Land Cruiser)
G00247753Courtesy of © TOYOTA, LICENSE AGREEMENT TMS1002
Fig 3: Cranking Hold Function Circuit Inspection Using Hand-Held Tester - Step 1 (Land Cruiser)
G00247754Courtesy of © TOYOTA, LICENSE AGREEMENT TMS1002
Fig 4: Cranking Hold Function Circuit Inspection Using Hand-Held Tester - Steps 2-3 (Land Cruiser)
G00247755Courtesy of © TOYOTA, LICENSE AGREEMENT TMS1002
Fig 5: Cranking Hold Function Circuit Inspection Using Hand-Held Tester - Steps 4-6 (Land Cruiser)
G00247756Courtesy of © TOYOTA, LICENSE AGREEMENT TMS1002
Fig 6: Cranking Hold Function Circuit Inspection Using Hand-Held Tester - Steps 7-9 (Land Cruiser)
G00247757Courtesy of © TOYOTA, LICENSE AGREEMENT TMS1002
Fig 7: Cranking Hold Function Circuit Inspection Using OBD II Scan Tool - Steps 1-2 (Land Cruiser)
G00247758Courtesy of © TOYOTA, LICENSE AGREEMENT TMS1002
Fig 8: Cranking Hold Function Circuit Inspection Using OBD II Scan Tool - Steps 3-4 (Land Cruiser)
G00247759Courtesy of © TOYOTA, LICENSE AGREEMENT TMS1002
Fig 9: Cranking Hold Function Circuit Inspection Using OBD II Scan Tool - Steps 5-7 (Land Cruiser)
G00247760Courtesy of © TOYOTA, LICENSE AGREEMENT TMS1002
Fig 10: Cranking Hold Function Circuit Inspection Using OBD II Scan Tool - Step 8 (Land Cruiser)
G00247761Courtesy of © TOYOTA, LICENSE AGREEMENT TMS1002
Fig 11: Locating Data Link Connector No. 3 (Land Cruiser)
G99G08773Courtesy of © TOYOTA, LICENSE AGREEMENT TMS1002