LEMON Manuals: Even more car manuals for everyone: 1960-2025
Home >> Toyota >> 2004 >> Matrix Base, FWD, Standard >> Repair and Diagnosis >> External Pages >> Different car >> Section 177 (Anti-Lock) >> Diagnostic Trouble Code Definitions >> DTC C1231 >> Testing Procedure
April 5, 2026: LEMON Manuals is launched! Read the announcement.

Testing Procedure

WARNING: This page is about a different car, the 2002 Lexus RX 300. However, it is still accessible from the selected car via links, so may be relevant.

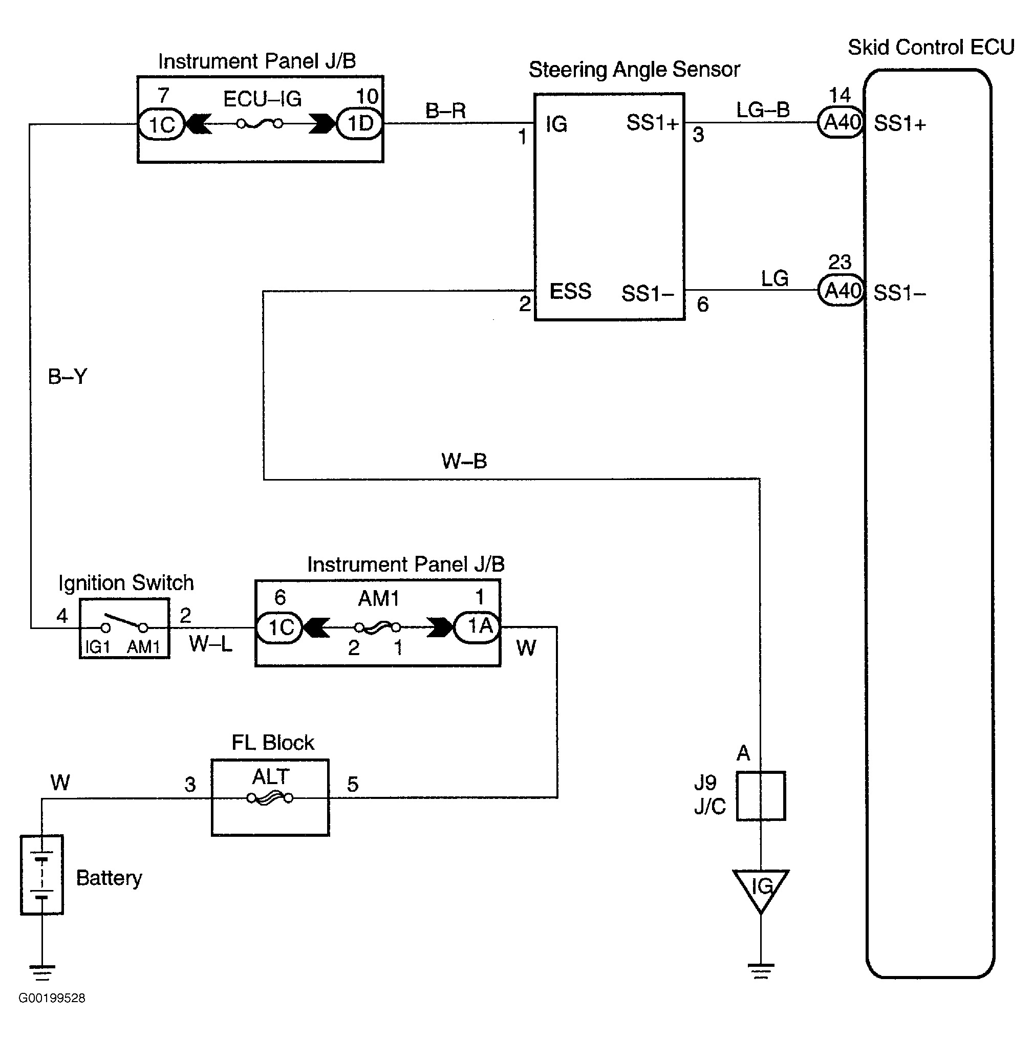
For wiring diagram, see Fig 1. For testing procedure, see Fig 2 and Fig 3 .

Fig 1: Wiring Diagram Steering Angle Sensor Circuit
G00199528Courtesy of © TOYOTA, LICENSE AGREEMENT TMS1002
Fig 2: Testing Procedure Steering Angle Sensor Circuit (1 Of 2)
G00199529Courtesy of © TOYOTA, LICENSE AGREEMENT TMS1002
Fig 3: Testing Procedure Steering Angle Sensor Circuit (2 Of 2)
G00199530Courtesy of © TOYOTA, LICENSE AGREEMENT TMS1002