LEMON Manuals: Even more car manuals for everyone: 1960-2025
Home >> Toyota >> 2005 >> Avalon XLS >> Repair and Diagnosis >> Body & Frame >> Windows >> Windshield System, WINDOWGLASS System & Mirror System >> Power Mirror Control System >> System Diagram >> Notes
April 5, 2026: LEMON Manuals is launched! Read the announcement.

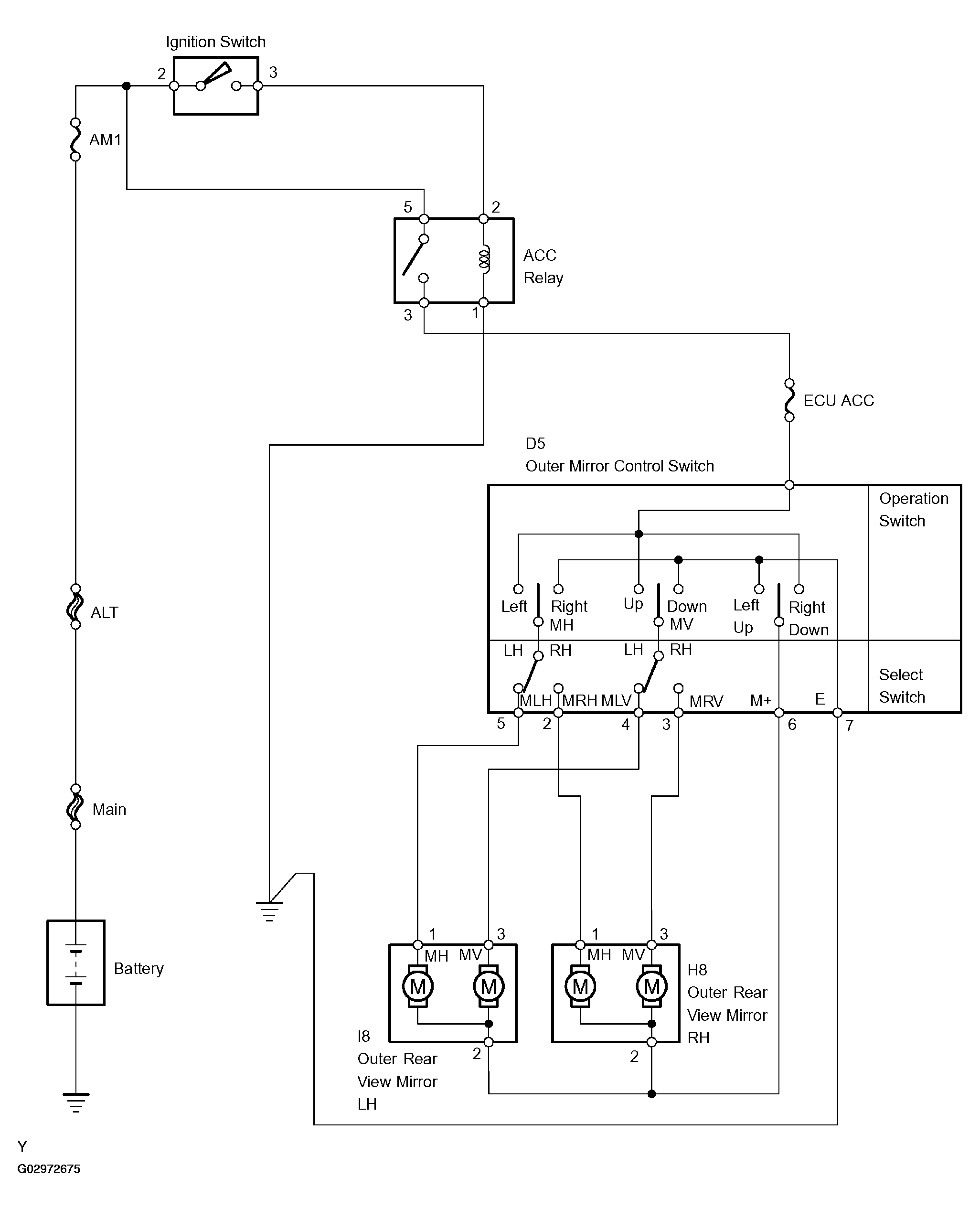
System Diagram: Notes

  1. POWER MIRROR CONTROL SYSTEM (w/MEMORY) (SEE  LOCATION  ) 
  2. POWER MIRROR CONTROL SYSTEM (W/O MEMORY) 
    Fig 1: Power Mirror Control System Diagram
    G02972675Courtesy of © TOYOTA, LICENSE AGREEMENT TMS1002