LEMON Manuals: Even more car manuals for everyone: 1960-2025
Home >> Toyota >> 2005 >> Avalon XLS >> Repair and Diagnosis >> Engine Performance >> Engine Control Systems >> Engine Control System >> System Diagram
April 5, 2026: LEMON Manuals is launched! Read the announcement.

System Diagram

Fig 1: SFI System Diagram (2GR-FE - 1 Of 4)
G02973278Courtesy of © TOYOTA, LICENSE AGREEMENT TMS1002
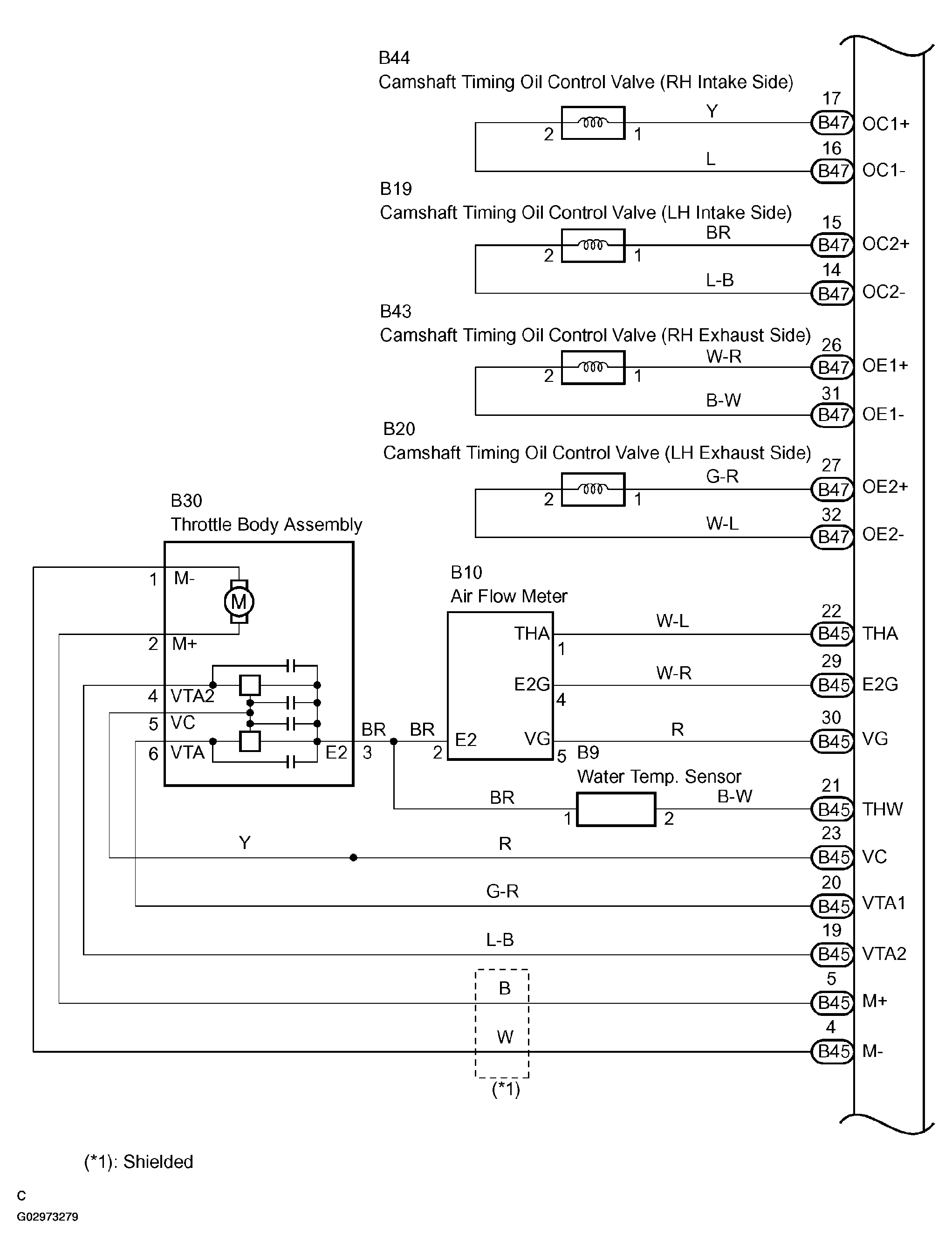
Fig 2: SFI System Diagram (2GR-FE - 2 Of 4)
G02973279Courtesy of © TOYOTA, LICENSE AGREEMENT TMS1002
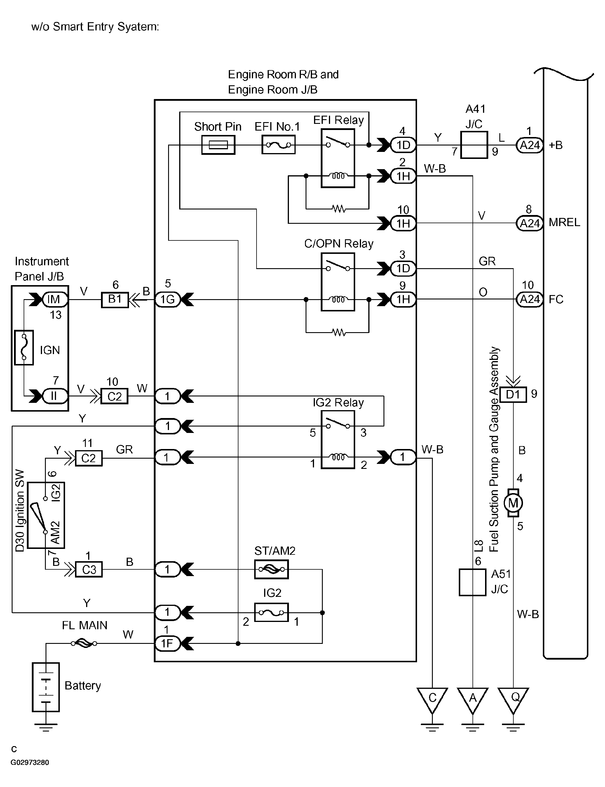
Fig 3: SFI System Diagram (2GR-FE - 3 Of 4)
G02973280Courtesy of © TOYOTA, LICENSE AGREEMENT TMS1002
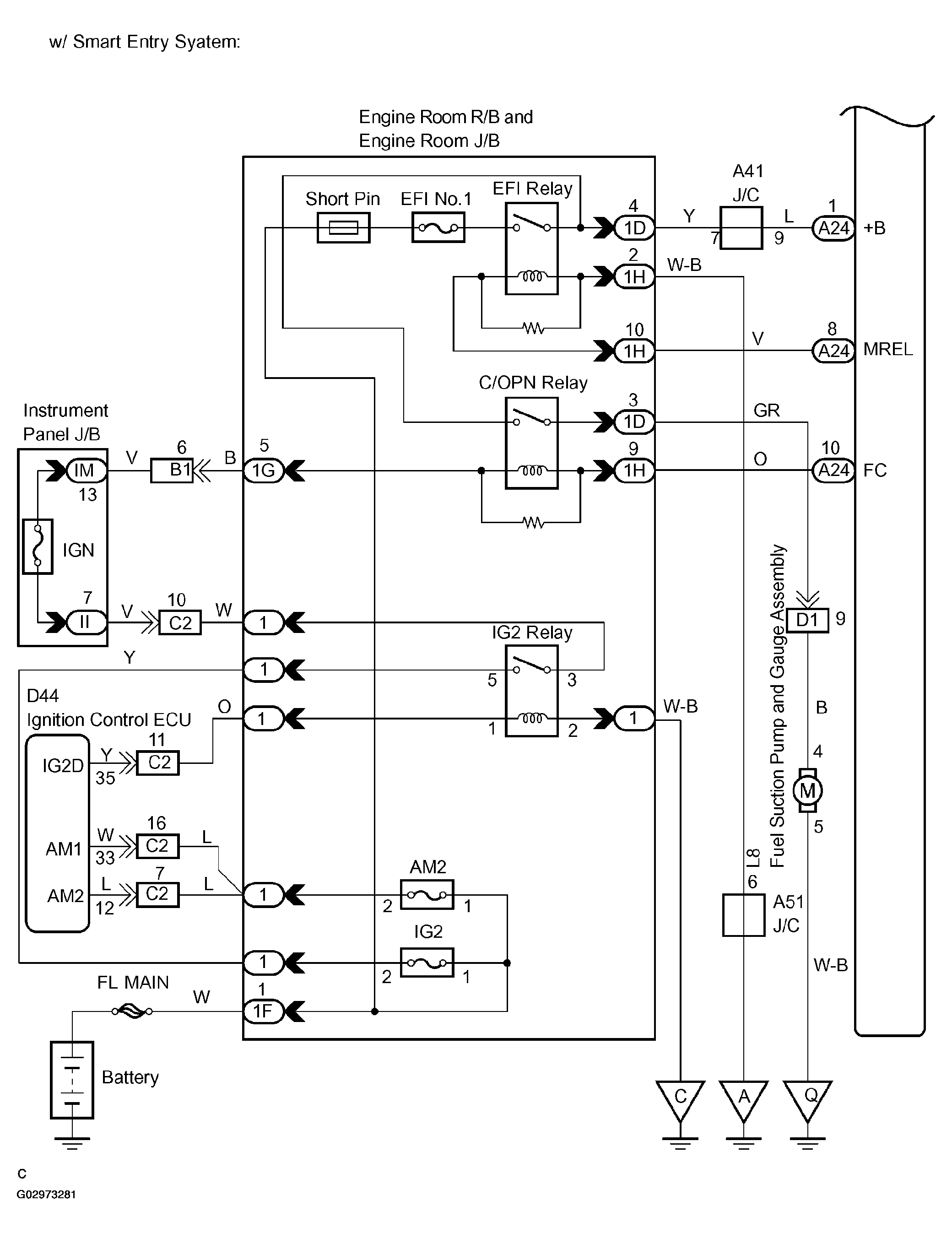
Fig 4: SFI System Diagram (2GR-FE - 4 Of 4)
G02973281Courtesy of © TOYOTA, LICENSE AGREEMENT TMS1002