LEMON Manuals: Even more car manuals for everyone: 1960-2025
Home >> Toyota >> 2005 >> Avalon XLS >> Repair and Diagnosis >> Engine Performance >> Ignition System >> Engine Ignition System >> System Diagram
April 5, 2026: LEMON Manuals is launched! Read the announcement.

System Diagram

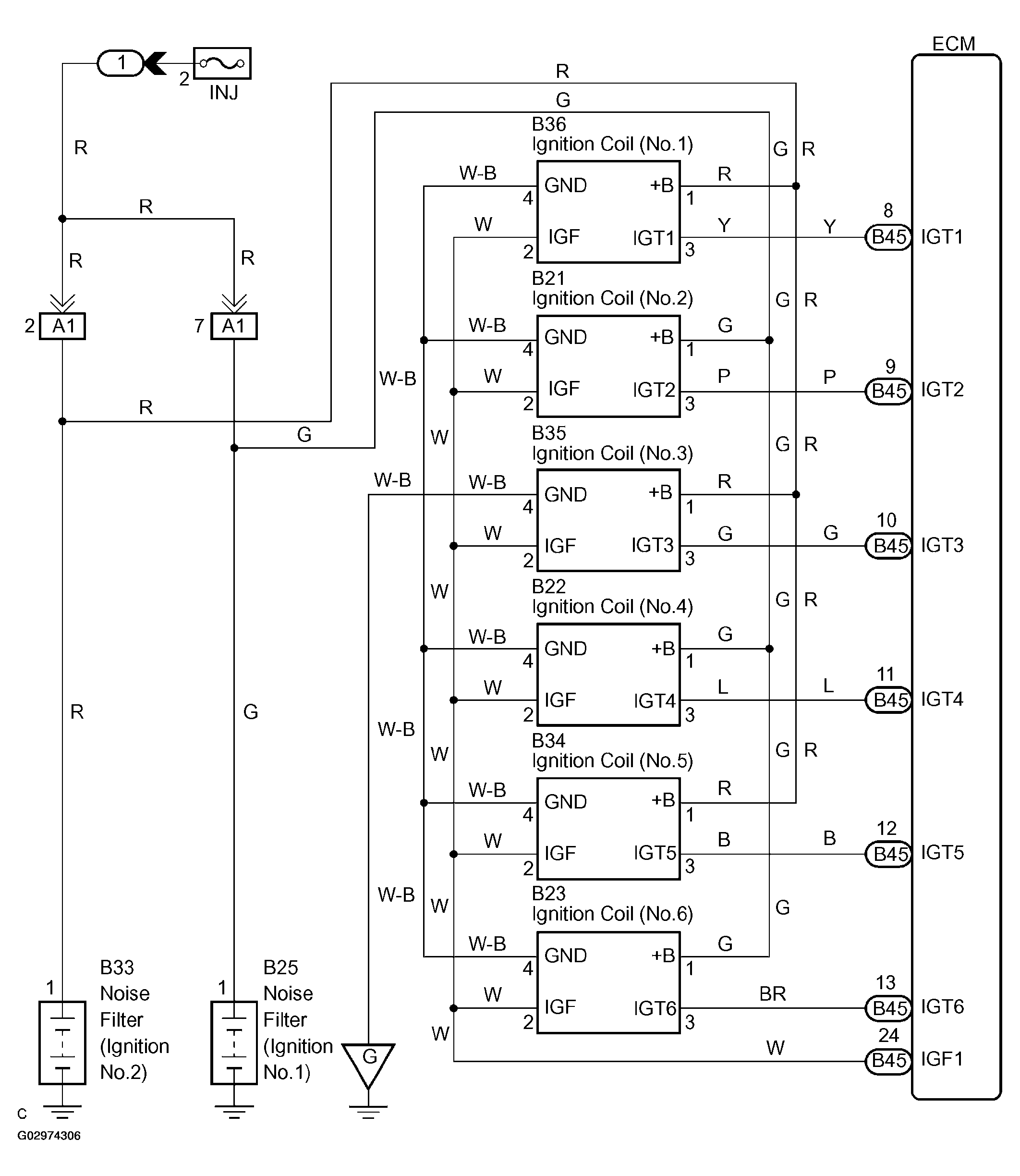
Fig 1: System Diagram - Ignition System (1 Of 2)
G02974306Courtesy of © TOYOTA, LICENSE AGREEMENT TMS1002
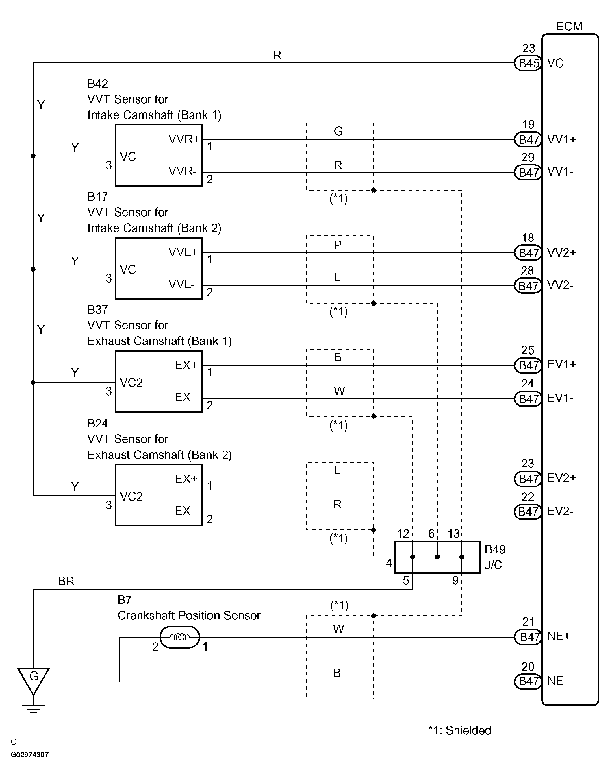
Fig 2: System Diagram - Ignition System (2 Of 2)
G02974307Courtesy of © TOYOTA, LICENSE AGREEMENT TMS1002