LEMON Manuals: Even more car manuals for everyone: 1960-2025
Home >> Toyota >> 2005 >> Highlander Base, 2.4 D, AWD >> Repair and Diagnosis >> Body & Frame >> Windows >> Power Window Control System - Diagnostics >> Windows Cannot Be Operated Via Regulator Switch At Each Seat >> Wiring Diagram
April 5, 2026: LEMON Manuals is launched! Read the announcement.

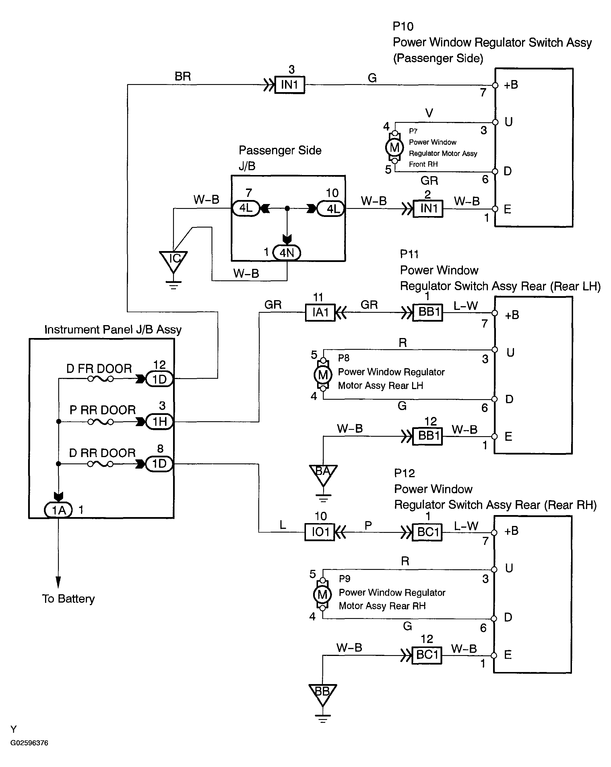
Windows Cannot Be Operated Via Regulator Switch At Each Seat: Wiring Diagram

Fig 1: Wiring Diagram - Window Regulator Switches
G02596376Courtesy of © TOYOTA, LICENSE AGREEMENT TMS1002