LEMON Manuals: Even more car manuals for everyone: 1960-2025
Home >> Toyota >> 2006 >> Avalon XLS >> Repair and Diagnosis >> Electrical >> Body Electrical >> OEM System Circuits >> Remote Control Mirror without Memory >> Notes
April 5, 2026: LEMON Manuals is launched! Read the announcement.

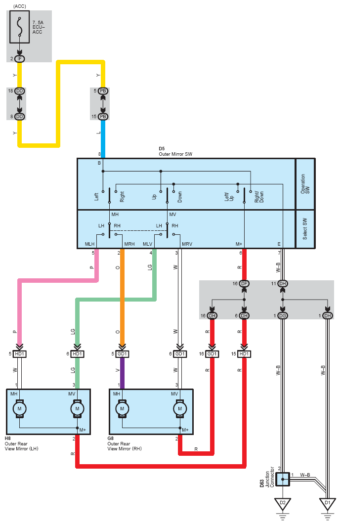
Remote Control Mirror without Memory: Notes

Fig 1: Remote Control Mirror System Wiring Diagram (Without Memory)
G08779143Courtesy of © TOYOTA, LICENSE AGREEMENT TMS1002