LEMON Manuals: Even more car manuals for everyone: 1960-2025
Home >> Toyota >> 2006 >> Land Cruiser >> Repair and Diagnosis >> Engine Performance >> System >> Engine Control System - System And Component Testing >> Circuit Opening Relay >> On-Vehicle Inspection
April 5, 2026: LEMON Manuals is launched! Read the announcement.

On-Vehicle Inspection

  1. REMOVE CIRCUIT OPENING RELAY (Marking: C/OPN) 
    1. Remove the engine room relay block cover.
    2. Remove the relay from the engine room relay block.
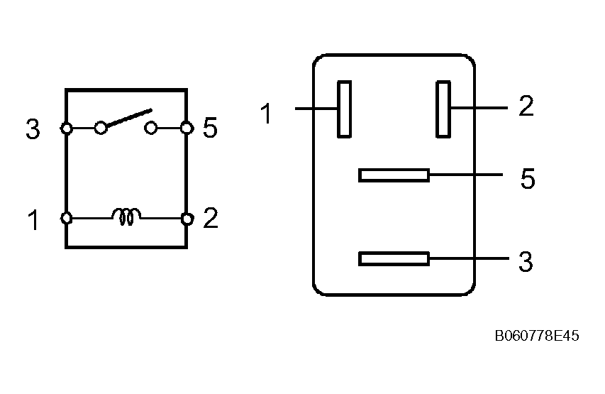
  2. CHECK CIRCUIT OPENING RELAY 
    1. Measure the resistance of the relay.

      Standard resistance 

      CIRCUIT OPENING RELAY

      Tester Connection Specified Condition
      3 - 5 10 kΩ or higher
      3 - 5 Below 1 Ω
      (when battery voltage is applied to terminals 1 and 2)
      Fig 1: Checking Circuit Opening Relay
      G04435555Courtesy of © TOYOTA, LICENSE AGREEMENT TMS1002

      If the result is not as specified, replace the relay.

  3. INSTALL CIRCUIT OPENING RELAY