LEMON Manuals: Even more car manuals for everyone: 1960-2025
Home >> Toyota >> 2006 >> Land Cruiser >> Repair and Diagnosis >> Engine Performance >> System >> Engine Control System - System And Component Testing >> Fuel Pump Control Circuit >> Inspection Procedure
April 5, 2026: LEMON Manuals is launched! Read the announcement.

Inspection Procedure

  1. CHECK FUEL PUMP OPERATION 
    1. Check if there is pressure in the fuel inlet hose.

      HINT:

      If there is fuel pressure, you will hear the sound of fuel flowing.

    OK: Go to step   10 

    NG: GO TO NEXT STEP 

  2. PERFORM ACTIVE TEST BY INTELLIGENT TESTER (OPERATE CIRCUIT OPENING RELAY) 
    1. Connect the intelligent tester to the CAN VIM. Then connect the CAN VIM to the DLC3.
    2. Turn the ignition switch ON and turn the intelligent tester ON.
    3. Enter the following menus: DIAGNOSIS / ENHANCED OBD II / ACTIVE TEST / FUEL PUMP / SPD.
    4. Check the relay operation when it is operated by the intelligent tester.

      Standard: Operating sound can be heard from the relay. 

    OK: Go to step   5 

    NG: GO TO NEXT STEP 

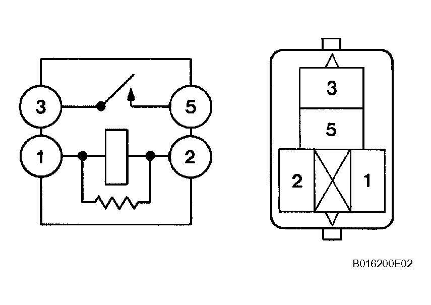
  3. INSPECT CIRCUIT OPENING RELAY (Marking: C/OPN) 
    1. Remove the circuit opening relay from the engine room relay block.
    2. Measure the resistance of the circuit opening relay.

      Standard resistance 

      CIRCUIT OPENING RELAY

      Tester Connection Specified Condition
      3 - 5 10 kΩ or higher
      3 - 5 Below 1 Ω
      (when battery voltage is applied to terminals 1 and 2)
      Fig 1: Identifying Relay Test Terminals
      G04061617Courtesy of © TOYOTA, LICENSE AGREEMENT TMS1002
    3. Reinstall the circuit opening relay.

    NG: REPLACE CIRCUIT OPENING RELAY 

    OK: GO TO NEXT STEP 

  4. INSPECT ECM (FC VOLTAGE) 
    1. Turn the ignition switch ON.
    2. Measure the voltage of the E7 and E9 ECM connectors.

      Standard voltage 

      ECM (FC VOLTAGE)

      Tester Connection Specified Condition
      E9-10 (FC) - E7-1 (E1) 9 to 14 V
      Fig 2: Inspecting ECM (FC Voltage)
      G04435491Courtesy of © TOYOTA, LICENSE AGREEMENT TMS1002

    OK: REPLACE ECM 

    NG: CHECK AND REPAIR HARNESS OR CONNECTOR (ECM - CIRCUIT OPENING RELAY, CIRCUIT OPENING RELAY - IGNITION SWITCH) 

  5. CHECK ECM POWER SOURCE CIRCUIT 
    1. See ECM POWER SOURCE CIRCUIT  ).

    NG: REPAIR OR REPLACE 

    OK: GO TO NEXT STEP 

  6. INSPECT FUEL PUMP RELAY (Marking: F/PUMP) 
    1. Remove the fuel pump relay from the engine room relay block.
    2. Measure the resistance of the fuel pump relay.

      Standard resistance 

      FUEL PUMP RELAY

      Tester Connection Specified Condition
      3 - 4 Below 1 Ω
      3 - 5 10 kΩ or higher
      3 - 4 10 kΩ or higher
      (when battery voltage is applied to terminals 1 and 2)
      3 - 5 Below 1 Ω
      (when battery voltage is applied to terminals 1 and 2)
      Fig 3: Identifying Relay Test Terminals
      G04407149Courtesy of © TOYOTA, LICENSE AGREEMENT TMS1002
    3. Reinstall the fuel pump relay.

    NG: REPLACE FUEL PUMP RELAY 

    OK: GO TO NEXT STEP 

  7. INSPECT FUEL PUMP 
    1. Inspect fuel pump resistance.
      1. Disconnect the F12 fuel pump connector.
      2. Measure the resistance of the fuel pump.

        Standard resistance 

        FUEL PUMP

        Tester Connection Specified Condition
        4 - 5 0.2 to 3.0 Ω at 20°C (68°F)
        Fig 4: Inspecting Fuel Pmp
        G04435493Courtesy of © TOYOTA, LICENSE AGREEMENT TMS1002
      3. Reconnect the fuel pump connector.
    2. Inspect fuel pump operation.
      1. Apply battery voltage to F12-4 (+) and F12-5 (-) terminals. Check that the pump operates.
    NOTE:
    • These tests must be done quickly (within 10 seconds) to prevent the coil from burning out.
    • Keep fuel pump as far away from the battery as possible.
    • Always do the switching at the battery side.

    NG: REPLACE FUEL PUMP 

    OK: GO TO NEXT STEP 

  8. CHECK HARNESS AND CONNECTOR (FUEL PUMP - FUEL PUMP RELAY, FUEL PUMP - BODY GROUND) 
    1. Check harness and connector (see ELECTRONIC CIRCUIT INSPECTION PROCEDURE ).

    NG: REPAIR OR REPLACE HARNESS OR CONNECTOR 

    OK: GO TO NEXT STEP 

  9. CHECK HARNESS AND CONNECTOR (CIRCUIT OPENING RELAY - FUEL PUMP RELAY) 
    1. Check harness and connector (see ELECTRONIC CIRCUIT INSPECTION PROCEDURE ).

    NG: REPAIR OR REPLACE HARNESS OR CONNECTOR 

    OK: CHECK AND REPAIR HARNESS OR CONNECTOR (EFI RELAY - CIRCUIT OPENING RELAY) 

  10. INSPECT FUEL PUMP RELAY (Marking: F/PUMP) 
    1. Remove the fuel pump relay from the engine room relay block.
    2. Measure the resistance of the fuel pump relay.

      Standard resistance 

      FUEL PUMP RELAY

      Tester Connection Specified Condition
      3 - 4 Below 1 Ω
      3 - 5 10 kΩ or higher
      3 - 4 10 kΩ or higher
      (when battery voltage is applied to terminals 1 and 2)
      3 - 5 Below 1 Ω
      (when battery voltage is applied to terminals 1 and 2)
      Fig 5: Identifying Relay Test Terminals
      G04407149Courtesy of © TOYOTA, LICENSE AGREEMENT TMS1002
    3. Reinstall the fuel pump relay.

    NG: REPLACE FUEL PUMP RELAY 

    OK: GO TO NEXT STEP 

  11. INSPECT FUEL PUMP RESISTOR (RESISTANCE) 
    1. Inspect the fuel pump resistor resistance.
      1. Measure the resistance of the terminals.

        Resistance: 0.94 to 1.0 Ω at 20°C (68°F) 

    Fig 6: Inspecting Fuel Pump Resistor (Resistance)
    G04435495Courtesy of © TOYOTA, LICENSE AGREEMENT TMS1002

    NG: REPLACE FUEL PUMP RESISTOR 

    OK: GO TO NEXT STEP 

  12. CHECK HARNESS AND CONNECTOR (FUEL PUMP RELAY - FUEL PUMP RESISTOR, FUEL PUMP RESISTOR - FUEL PUMP) 
    1. Check harness and connector (see ELECTRONIC CIRCUIT INSPECTION PROCEDURE ).

    OK: PROCEED TO NEXT CIRCUIT INSPECTION SHOWN IN  PROBLEM SYMPTOMS TABLE 

    NG: REPAIR OR REPLACE HARNESS OR CONNECTOR