LEMON Manuals: Even more car manuals for everyone: 1960-2025
Home >> Toyota >> 2006 >> RAV4 Base, 2.4 D, AWD >> Repair and Diagnosis >> Engine Performance >> Engine Control System (2AZ-FE) >> SFI System >> System Diagram >> Engine Control System
April 5, 2026: LEMON Manuals is launched! Read the announcement.

Engine Control System

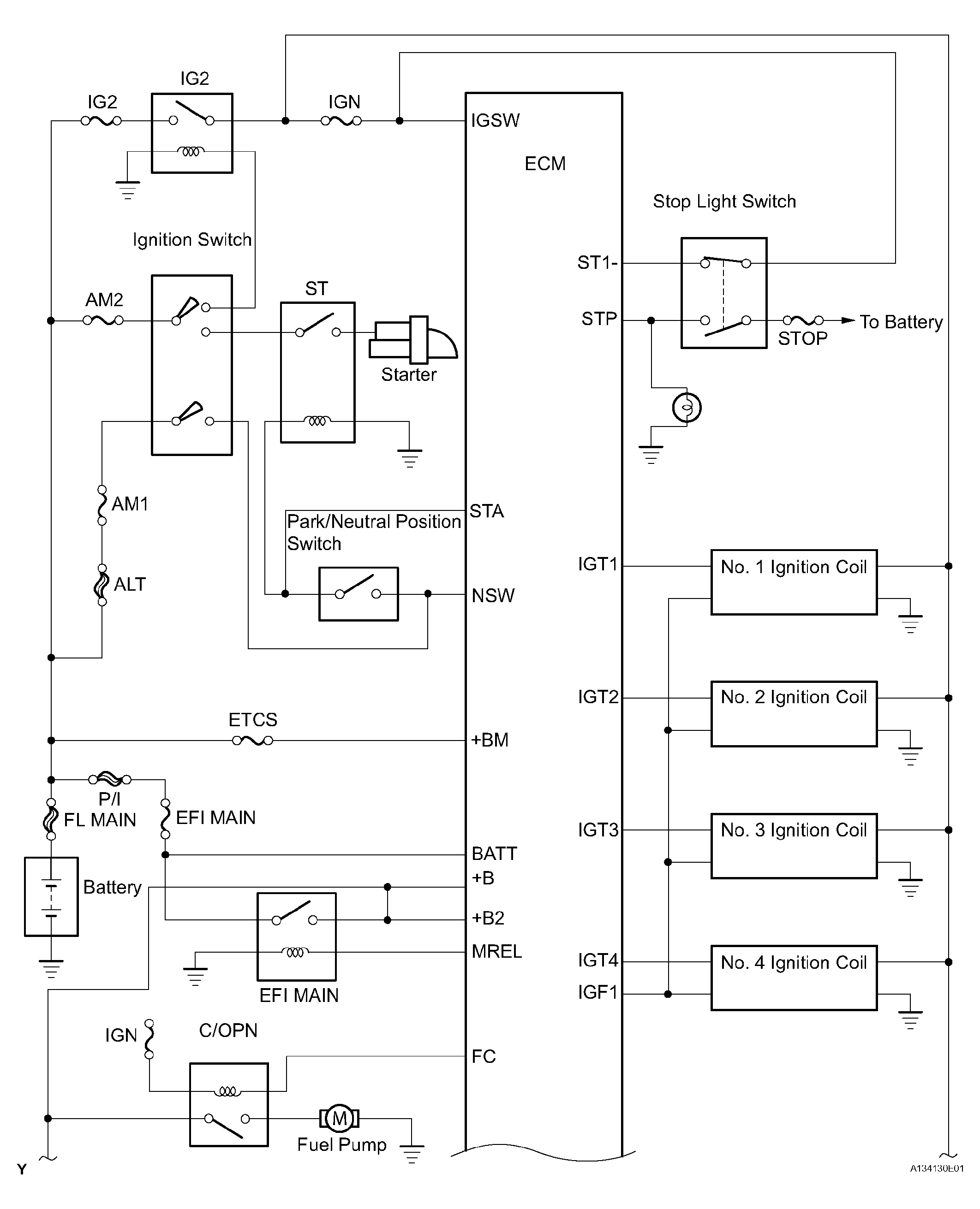
Fig 1: 2AZ-FE Engine Control System Diagram (1 Of 3)
G04483720Courtesy of © TOYOTA, LICENSE AGREEMENT TMS1002
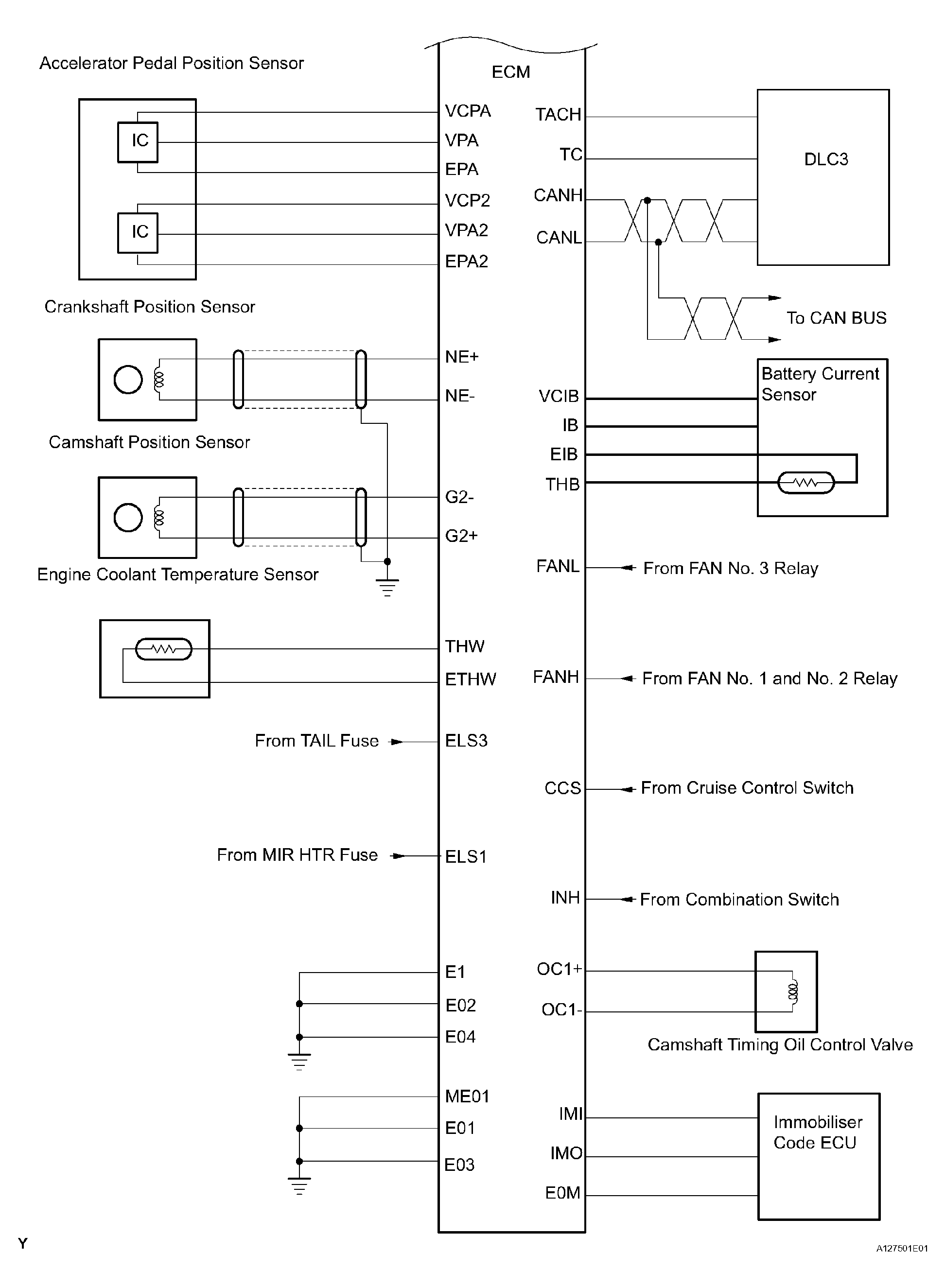
Fig 2: 2AZ-FE Engine Control System Diagram (2 Of 3)
G04483721Courtesy of © TOYOTA, LICENSE AGREEMENT TMS1002
Fig 3: 2AZ-FE Engine Control System Diagram (3 Of 3)
G04483722Courtesy of © TOYOTA, LICENSE AGREEMENT TMS1002