LEMON Manuals: Even more car manuals for everyone: 1960-2025
Home >> Toyota >> 2007 >> Matrix Base, Automatic >> Repair and Diagnosis >> Accessories & Equipment >> Entertainment Systems >> Audio System & Visual System >> Audio And Visual System >> Radio Receiver Power Source Circuit >> Wiring Diagram
April 5, 2026: LEMON Manuals is launched! Read the announcement.

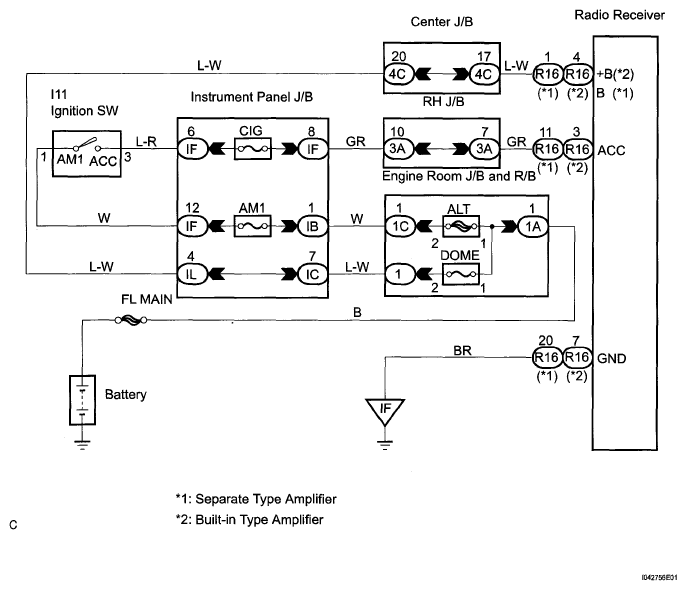
Radio Receiver Power Source Circuit: Wiring Diagram

Fig 1: Radio Receiver Power Source Circuit - Wiring Diagram
G05237130Courtesy of © TOYOTA, LICENSE AGREEMENT TMS1002