LEMON Manuals: Even more car manuals for everyone: 1960-2025
Home >> Toyota >> 2007 >> Matrix Base, Automatic >> Repair and Diagnosis >> Electrical >> Body Electrical >> OEM System Circuits >> TVIP System >> Notes
April 5, 2026: LEMON Manuals is launched! Read the announcement.

TVIP System: Notes

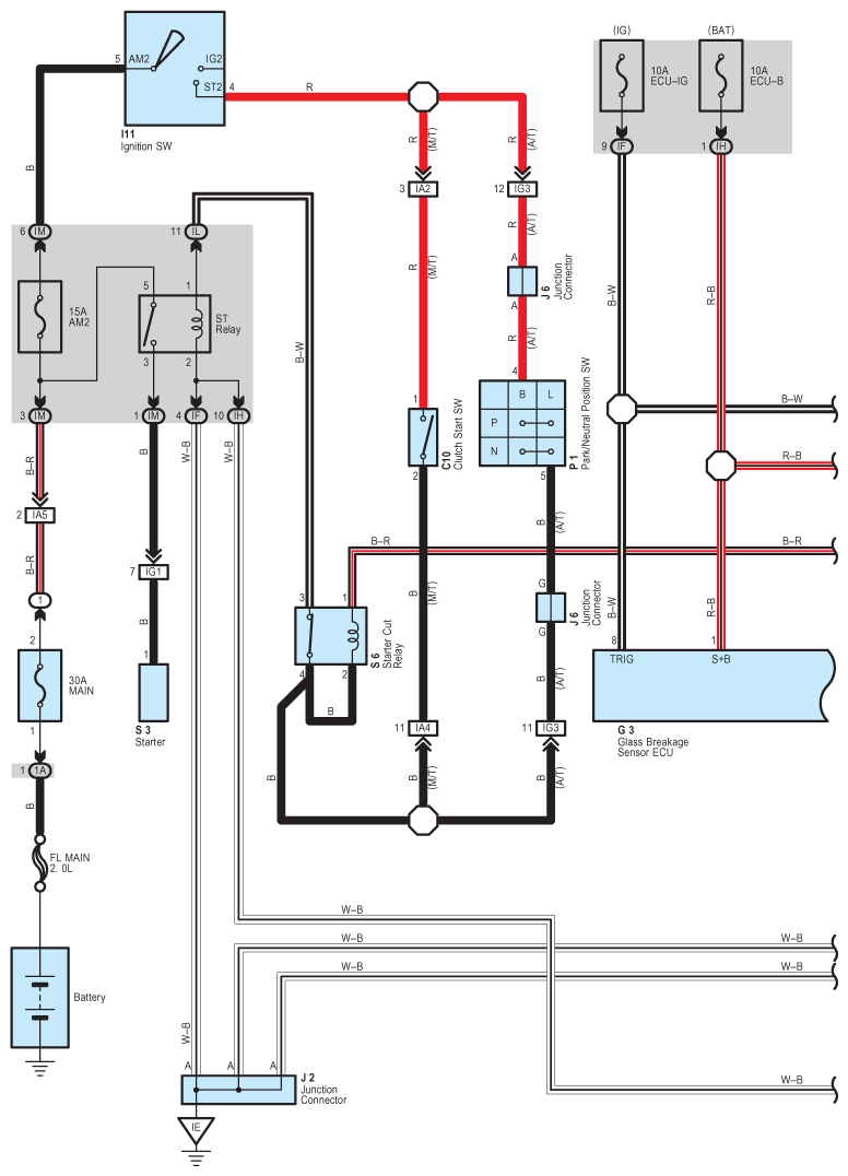
Fig 1: TVIP System Wiring Diagram (1 Of 5)
G08790410Courtesy of © TOYOTA, LICENSE AGREEMENT TMS1002
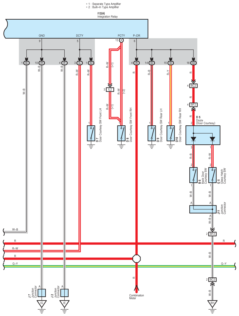
Fig 2: TVIP System Wiring Diagram (2 Of 5)
G08790411Courtesy of © TOYOTA, LICENSE AGREEMENT TMS1002
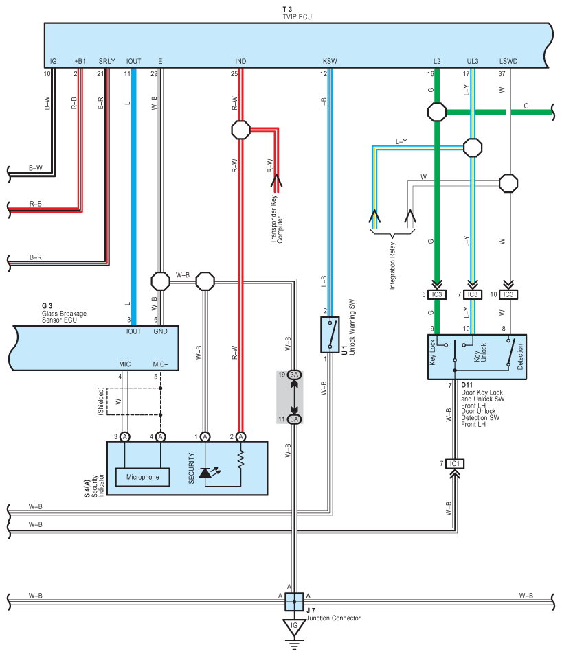
Fig 3: TVIP System Wiring Diagram (3 Of 5)
G08790412Courtesy of © TOYOTA, LICENSE AGREEMENT TMS1002
Fig 4: TVIP System Wiring Diagram (4 Of 5)
G08790413Courtesy of © TOYOTA, LICENSE AGREEMENT TMS1002
Fig 5: TVIP System Wiring Diagram (5 Of 5)
G08790414Courtesy of © TOYOTA, LICENSE AGREEMENT TMS1002