LEMON Manuals
: Even more car manuals for everyone: 1960-2025
Home
>>
Toyota
>>
2007
>>
Prius Base
>>
Repair and Diagnosis
>>
Electrical
>>
Body Electrical
>>
OEM System Circuits
>>
Headlight Beam Level Control
>>
Notes
April 5, 2026:
LEMON Manuals is launched!
Read the announcement.
Headlight Beam Level Control: Notes
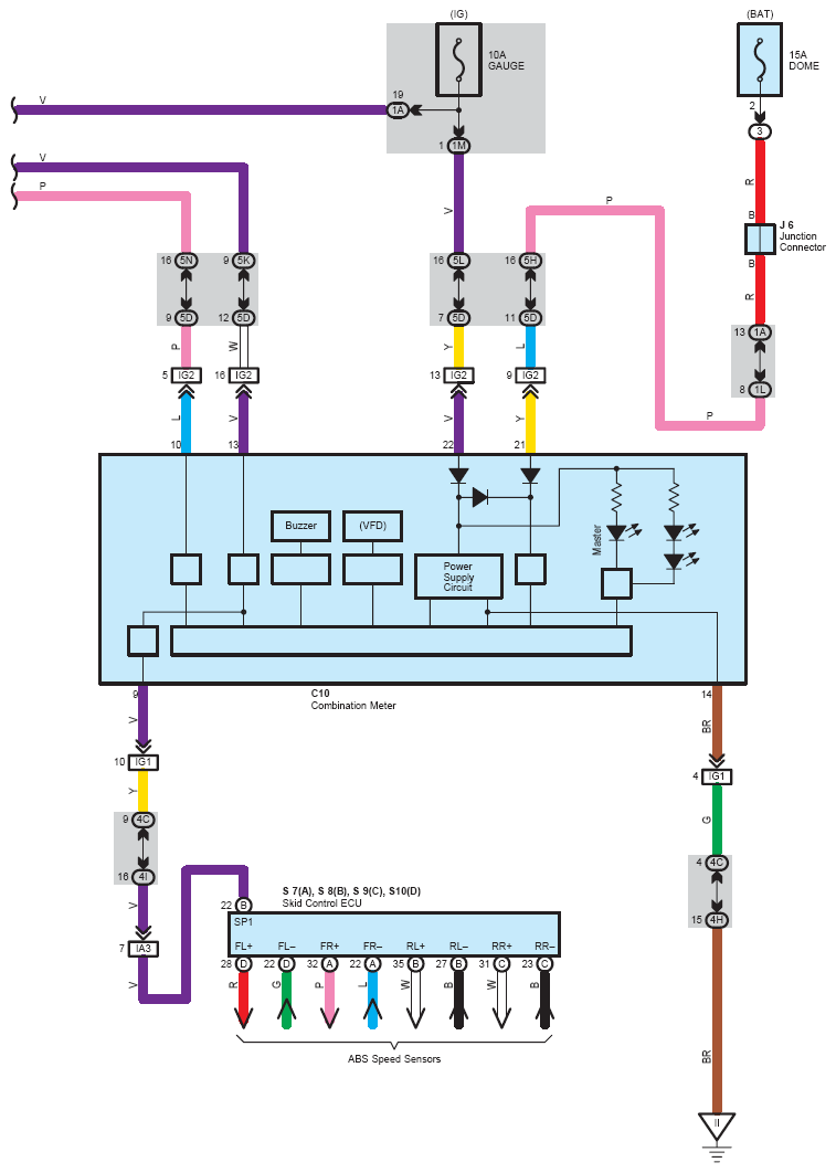
Fig 1: Headlight beam level control system wiring diagram (1 of 2)
Courtesy of © TOYOTA, LICENSE AGREEMENT TMS1002
Fig 2: Headlight beam level control system wiring diagram (2 of 2)
Courtesy of © TOYOTA, LICENSE AGREEMENT TMS1002