LEMON Manuals: Even more car manuals for everyone: 1960-2025
Home >> Toyota >> 2007 >> Prius Base >> Repair and Diagnosis >> Electrical >> Body Electrical >> OEM System Circuits >> Multi-Display And Audio System For Separate Amplifier >> Notes
April 5, 2026: LEMON Manuals is launched! Read the announcement.

Multi-Display And Audio System For Separate Amplifier: Notes

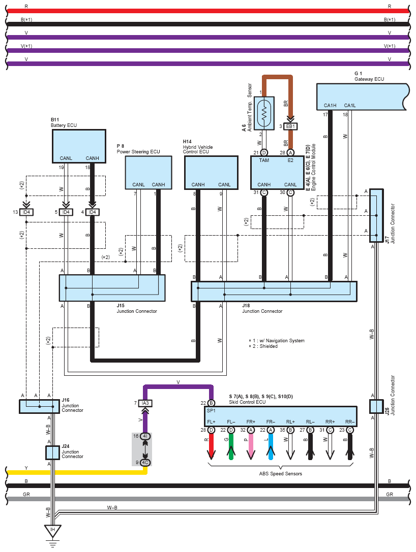
Fig 1: Multi-display and audio system for separate amplifier system wiring diagram (1 of 7)
G08866159Courtesy of © TOYOTA, LICENSE AGREEMENT TMS1002
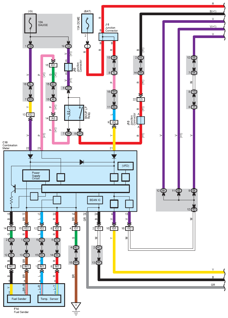
Fig 2: Multi-display and audio system for separate amplifier system wiring diagram (2 of 7)
G08866160Courtesy of © TOYOTA, LICENSE AGREEMENT TMS1002
Fig 3: Multi-display and audio system for separate amplifier system wiring diagram (3 of 7)
G08866161Courtesy of © TOYOTA, LICENSE AGREEMENT TMS1002
Fig 4: Multi-display and audio system for separate amplifier system wiring diagram (4 of 7)
G08866162Courtesy of © TOYOTA, LICENSE AGREEMENT TMS1002
Fig 5: Multi-display and audio system for separate amplifier system wiring diagram (5 of 7)
G08866163Courtesy of © TOYOTA, LICENSE AGREEMENT TMS1002
Fig 6: Multi-display and audio system for separate amplifier system wiring diagram (6 of 7)
G08866164Courtesy of © TOYOTA, LICENSE AGREEMENT TMS1002
Fig 7: Multi-display and audio system for separate amplifier system wiring diagram (7 of 7)
G08866165Courtesy of © TOYOTA, LICENSE AGREEMENT TMS1002