LEMON Manuals: Even more car manuals for everyone: 1960-2025
Home >> Toyota >> 2007 >> Prius Base >> Repair and Diagnosis >> Electrical >> Body Electrical >> OEM System Circuits >> Multiplex Communication System - Can Bus >> Notes
April 5, 2026: LEMON Manuals is launched! Read the announcement.

Multiplex Communication System - Can Bus: Notes

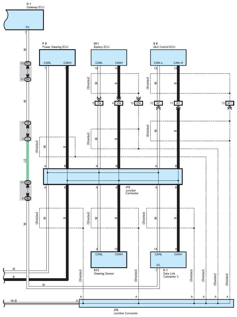
Fig 1: Multiplex communication system - can bus system wiring diagram (1 of 2)
G08865994Courtesy of © TOYOTA, LICENSE AGREEMENT TMS1002
Fig 2: Multiplex communication system - can bus system wiring diagram (2 of 2)
G08865995Courtesy of © TOYOTA, LICENSE AGREEMENT TMS1002