LEMON Manuals: Even more car manuals for everyone: 1960-2025
Home >> Toyota >> 2007 >> Prius Base >> Repair and Diagnosis >> Engine Performance >> Engine Control System >> SFI System >> System Diagram
April 5, 2026: LEMON Manuals is launched! Read the announcement.

System Diagram

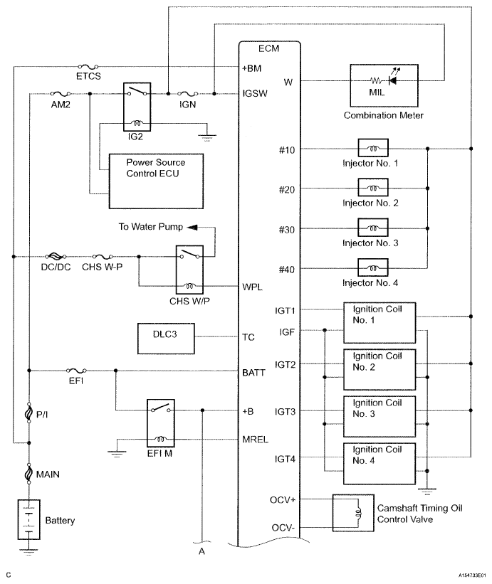
Fig 1: Engine Control System Diagram (1 Of 4)
G05188598Courtesy of © TOYOTA, LICENSE AGREEMENT TMS1002
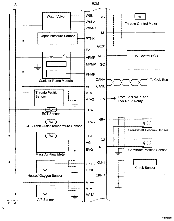
Fig 2: Engine Control System Diagram (2 Of 4)
G05188599Courtesy of © TOYOTA, LICENSE AGREEMENT TMS1002
Fig 3: Engine Control System Diagram (3 Of 4)
G05188600Courtesy of © TOYOTA, LICENSE AGREEMENT TMS1002
Fig 4: Engine Control System Diagram (4 Of 3)
G05188601Courtesy of © TOYOTA, LICENSE AGREEMENT TMS1002

COMMUNICATIONS 

The ECM communicates with the following ECM and ECUs using the signals listed below. The following table explains receiving and sending signals by ECM or ECU.

COMMUNICATION SIGNAL

Transmit To Receive From Signal Communication Line
HVECU ECM
  • Inspection mode signal
  • MIL illumination requirement
  • Shift position information
  • Ready state
  • Starter ON
CAN
ECM HV ECU
  • Ambient temperature
  • Intake air temperature
  • Radiator fan drive
  • Engine warm-up requirement
  • Engine rpm
CAN
ECM Battery ECU
  • Engine rpm
CAN
ECM Power Steering ECU
  • Inspection mode
CAN
ECM Skid Control ECU
  • Inspection mode
CAN
ECM Body ECU
  • Inspection mode
  • Engine rpm
BEAN, CAN
Combination Meter ECU ECM
  • Fuel level
BEAN, CAN
ECM Combination Meter ECM
  • Engine coolant temperature
  • Engine rpm
  • Injection volume
  • Inspection mode
  • Engine oil pressure switch
BEAN, CAN
ECM Air Conditioner Amplifier ECU
  • Engine coolant temperature
  • Engine rpm
  • Ambient temperature
  • Coolant heat storage water valve close
BEAN, CAN
ECM Certification ECU
  • Engine rpm
BEAN, CAN
ECM EMV
  • Engine coolant temperature
  • Inspection mode
  • Engine oil pressure switch
ACV LAN, CAN